LEMON Manuals: Even more car manuals for everyone
Home >> Lexus >> 2008 >> IS F >> Repair and Diagnosis (Single Page) >> Electrical >> Body Electrical >> OEM System Circuits >> Automatic Light Control and Light Auto Turn Off System >> Notes

Automatic Light Control and Light Auto Turn Off System: Notes

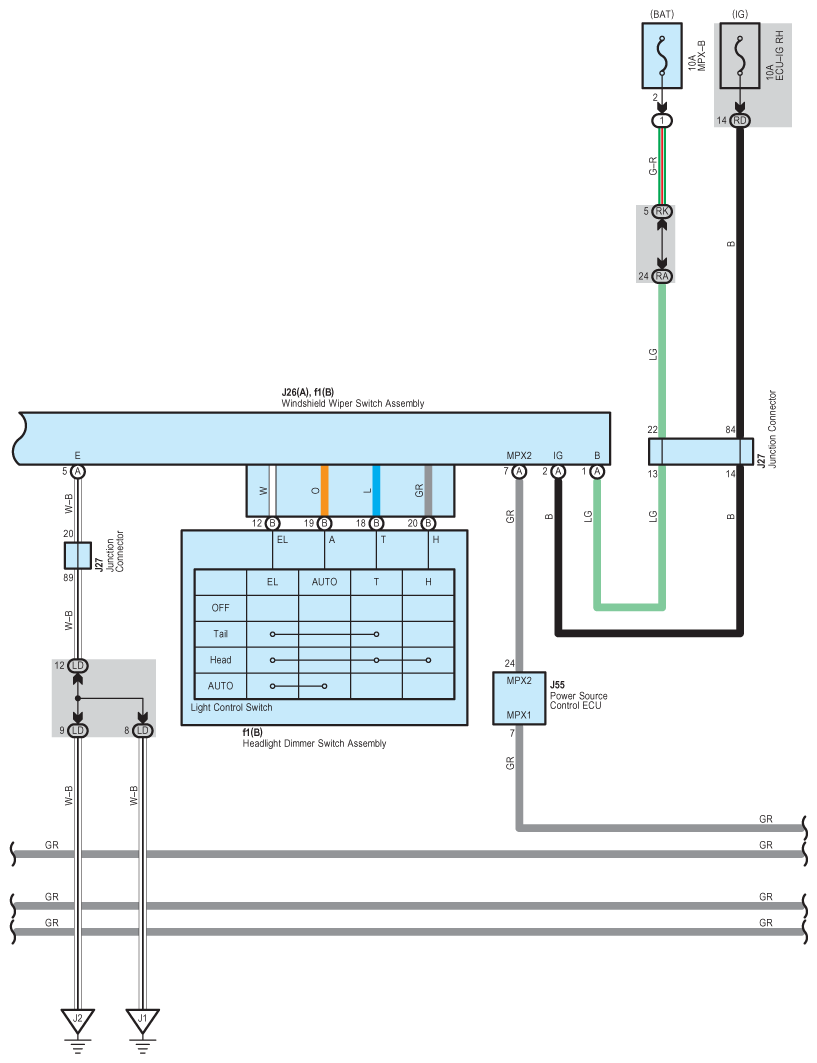
Fig 1: Automatic Light Control And Light Auto Turn Off System - Circuit Diagram (1 Of 4)
G07592287Courtesy of © TOYOTA, LICENSE AGREEMENT TMS1002
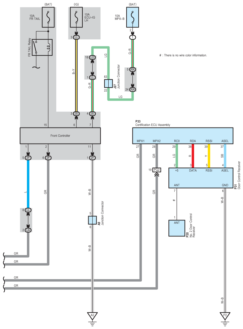
Fig 2: Automatic Light Control And Light Auto Turn Off System - Circuit Diagram (2 Of 4)
G07592288Courtesy of © TOYOTA, LICENSE AGREEMENT TMS1002
Fig 3: Automatic Light Control And Light Auto Turn Off System - Circuit Diagram (3 Of 4)
G07592289Courtesy of © TOYOTA, LICENSE AGREEMENT TMS1002
Fig 4: Automatic Light Control And Light Auto Turn Off System - Circuit Diagram (4 Of 4)
G07592290Courtesy of © TOYOTA, LICENSE AGREEMENT TMS1002