LEMON Manuals: Even more car manuals for everyone
Home >> Lexus >> 2008 >> IS F >> Repair and Diagnosis (Single Page) >> Electrical >> Body Electrical >> OEM System Circuits >> Air Conditioning >> Notes

Air Conditioning: Notes

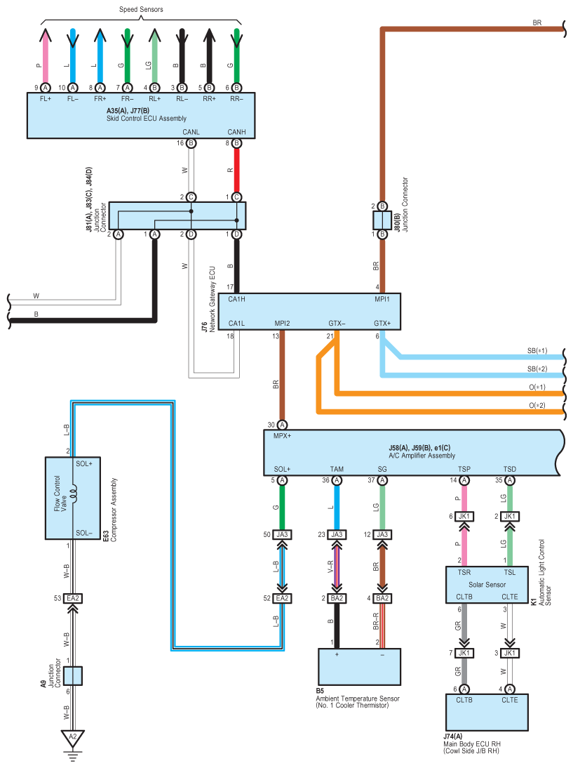
Fig 1: Air Conditioning - Circuit Diagram (1 Of 6)
G07592470Courtesy of © TOYOTA, LICENSE AGREEMENT TMS1002
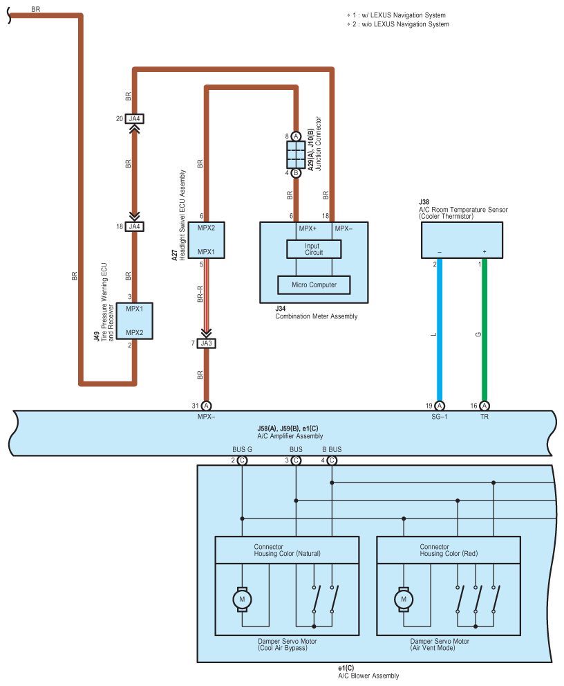
Fig 2: Air Conditioning - Circuit Diagram (2 Of 6)
G07592471Courtesy of © TOYOTA, LICENSE AGREEMENT TMS1002
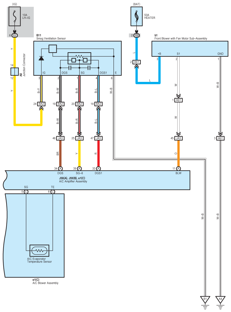
Fig 3: Air Conditioning - Circuit Diagram (3 Of 6)
G07592472Courtesy of © TOYOTA, LICENSE AGREEMENT TMS1002
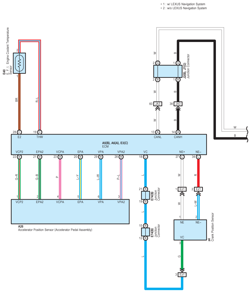
Fig 4: Air Conditioning - Circuit Diagram (4 Of 6)
G07592473Courtesy of © TOYOTA, LICENSE AGREEMENT TMS1002
Fig 5: Air Conditioning - Circuit Diagram (5 Of 6)
G07592474Courtesy of © TOYOTA, LICENSE AGREEMENT TMS1002
Fig 6: Air Conditioning - Circuit Diagram (6 Of 6)
G07592475Courtesy of © TOYOTA, LICENSE AGREEMENT TMS1002