LEMON Manuals: Even more car manuals for everyone
Home >> Lexus >> 2008 >> IS F >> Repair and Diagnosis (Single Page) >> Electrical >> Body Electrical >> OEM System Circuits >> Adaptive Front-Lighting System >> Notes

Adaptive Front-Lighting System: Notes

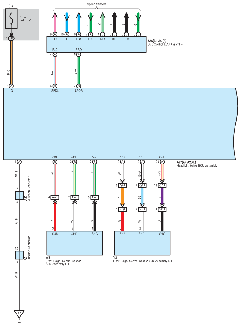
Fig 1: Adaptive Front-Lighting System - Circuit Diagram (1 Of 9)
G07592291Courtesy of © TOYOTA, LICENSE AGREEMENT TMS1002
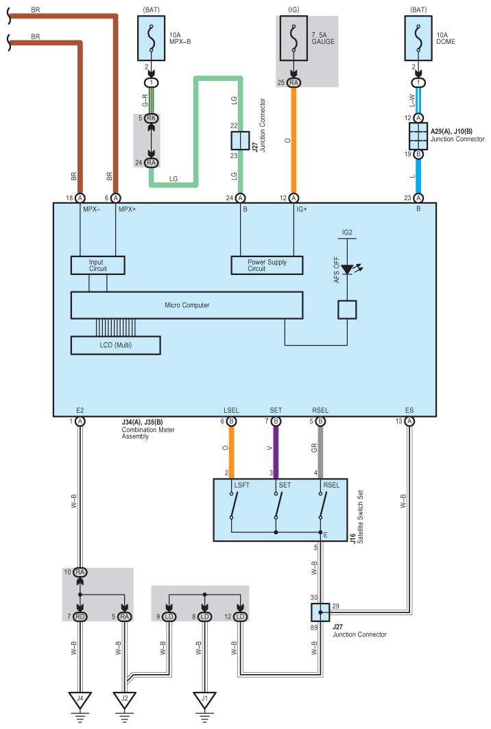
Fig 2: Adaptive Front-Lighting System - Circuit Diagram (2 Of 9)
G07592292Courtesy of © TOYOTA, LICENSE AGREEMENT TMS1002
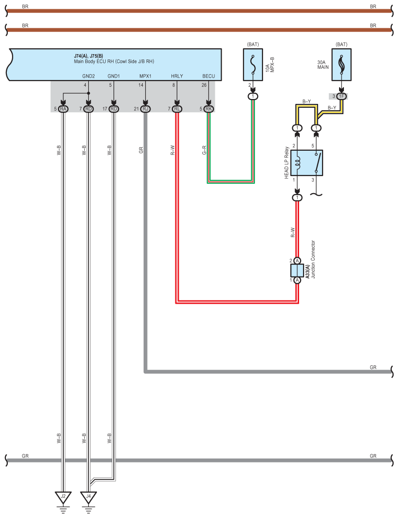
Fig 3: Adaptive Front-Lighting System - Circuit Diagram (3 Of 9)
G07592293Courtesy of © TOYOTA, LICENSE AGREEMENT TMS1002
Fig 4: Adaptive Front-Lighting System - Circuit Diagram (4 Of 9)
G07592294Courtesy of © TOYOTA, LICENSE AGREEMENT TMS1002
Fig 5: Adaptive Front-Lighting System - Circuit Diagram (5 Of 9)
G07592295Courtesy of © TOYOTA, LICENSE AGREEMENT TMS1002
Fig 6: Adaptive Front-Lighting System - Circuit Diagram (6 Of 9)
G07592296Courtesy of © TOYOTA, LICENSE AGREEMENT TMS1002
Fig 7: Adaptive Front-Lighting System - Circuit Diagram (7 Of 9)
G07592297Courtesy of © TOYOTA, LICENSE AGREEMENT TMS1002
Fig 8: Adaptive Front-Lighting System - Circuit Diagram (8 Of 9)
G07592298Courtesy of © TOYOTA, LICENSE AGREEMENT TMS1002
Fig 9: Adaptive Front-Lighting System - Circuit Diagram (9 Of 9)
G07592299Courtesy of © TOYOTA, LICENSE AGREEMENT TMS1002