LEMON Manuals: Even more car manuals for everyone
Home >> Lexus >> 2008 >> IS F >> Repair and Diagnosis (Single Page) >> Brakes >> Brakes Control Systems >> Brake Control / Dynamic Control Systems >> Vehicle Stability Control System >> DTC U0073/94 Control Module Communication Bus OFF; DTC U0100/65 Lost Communication with ECM / PCM; DTC U0123/62 Lost Communication with Yaw Rate Sensor Module; DTC U0124/95 Lost Communication with Lateral Acceleration Sensor Module; DTC U0126/63 Lost Communication with Steering Angle Sensor Module >> Wiring Diagram

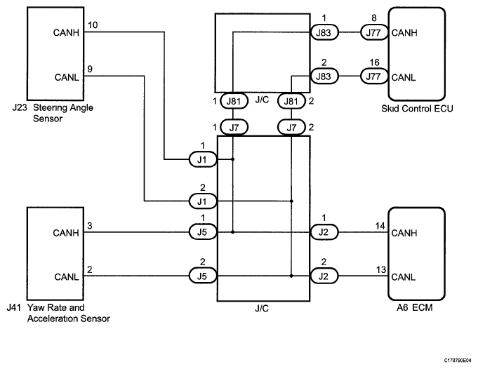
DTC U0073/94 Control Module Communication Bus OFF; DTC U0100/65 Lost Communication with ECM / PCM; DTC U0123/62 Lost Communication with Yaw Rate Sensor Module; DTC U0124/95 Lost Communication with Lateral Acceleration Sensor Module; DTC U0126/63 Lost Communication with Steering Angle Sensor Module: Wiring Diagram

Fig 1: ECM, Steering Angle Sensor, And Yaw Rate And Acceleration Sensor Wiring Diagram
G05752645Courtesy of © TOYOTA, LICENSE AGREEMENT TMS1002