LEMON Manuals: Even more car manuals for everyone
Home >> Lexus >> 2008 >> IS F >> Repair and Diagnosis (Single Page) >> Brakes >> Brakes Control Systems >> Brake Control / Dynamic Control Systems >> Vehicle Stability Control System >> DTC C1249/49 Open in Stop Light Switch Circuit >> Wiring Diagram

DTC C1249/49 Open in Stop Light Switch Circuit: Wiring Diagram

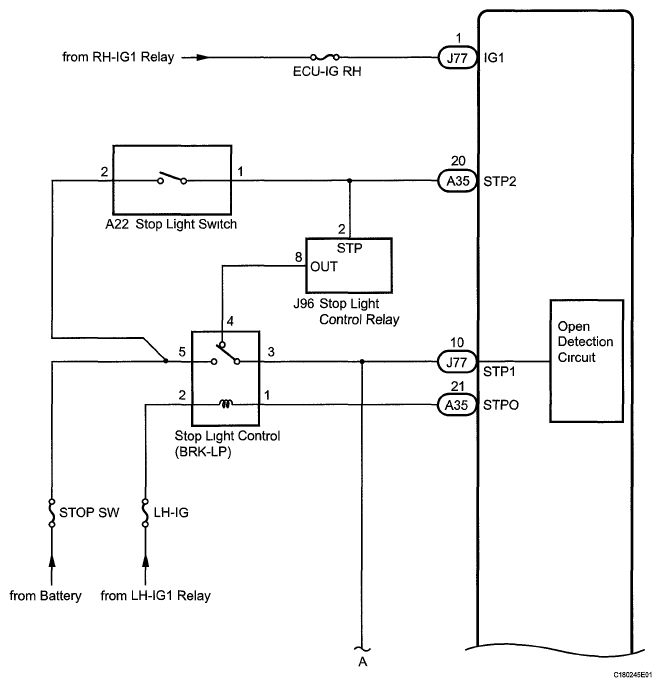
Fig 1: Stop Light Switch Wiring Diagram (1 Of 2)
G05752620Courtesy of © TOYOTA, LICENSE AGREEMENT TMS1002
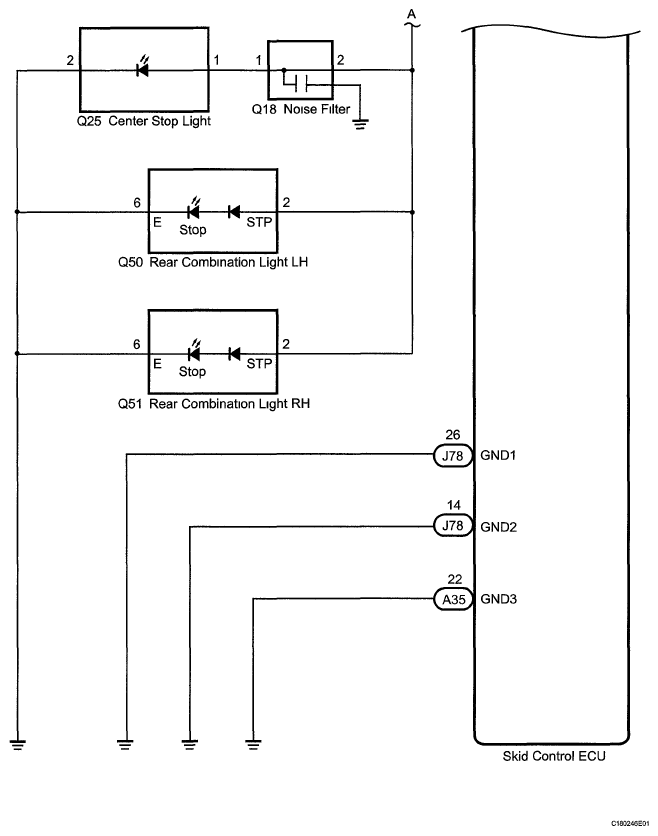
Fig 2: Stop Light Switch Wiring Diagram (2 Of 2)
G05752621Courtesy of © TOYOTA, LICENSE AGREEMENT TMS1002