LEMON Manuals: Even more car manuals for everyone
Home >> Lexus >> 2008 >> IS F >> Repair and Diagnosis (Single Page) >> Accessories & Equipment >> Infotainment >> Navigation >> Navigation System >> Vehicle Speed Signal Circuit between Navigation ECU and Multi-Display >> Wiring Diagram

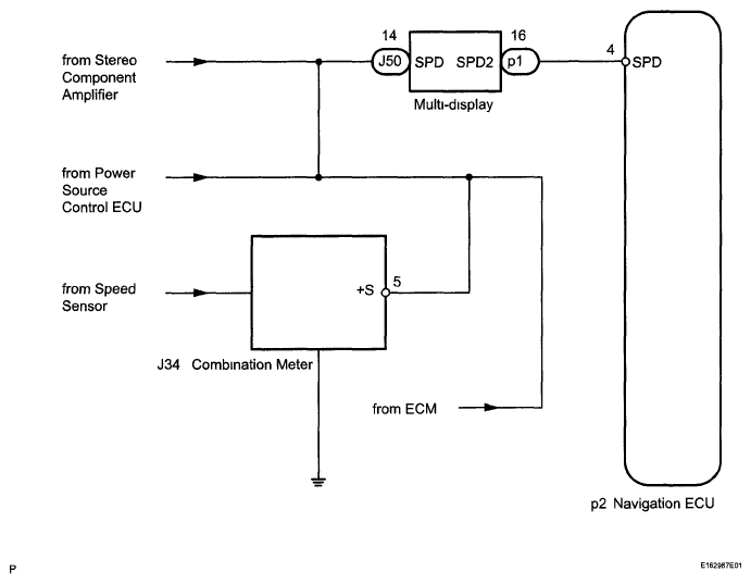
Vehicle Speed Signal Circuit between Navigation ECU and Multi-Display: Wiring Diagram

Fig 1: Vehicle Speed Signal Circuit Between Navigation ECU And Multi-Display - Wiring Diagram
G05753677Courtesy of © TOYOTA, LICENSE AGREEMENT TMS1002