LEMON Manuals: Even more car manuals for everyone
Home >> Lexus >> 2008 >> IS F >> Repair and Diagnosis (Single Page) >> Accessories & Equipment >> Anti-Theft Systems >> Theft Deterrent / Keyless Entry >> SMART ACCESS SYSTEM WITH PUSH-BUTTON START (for Start Function) >> Power Source Mode does not Change >> Wiring Diagram

Power Source Mode does not Change: Wiring Diagram

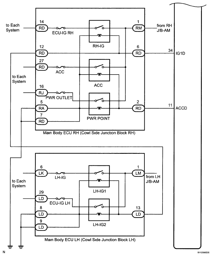
Fig 1: Main Body ECU And Power Source Control ECU - Wiring Diagram (1 Of 2)
G05754456Courtesy of © TOYOTA, LICENSE AGREEMENT TMS1002
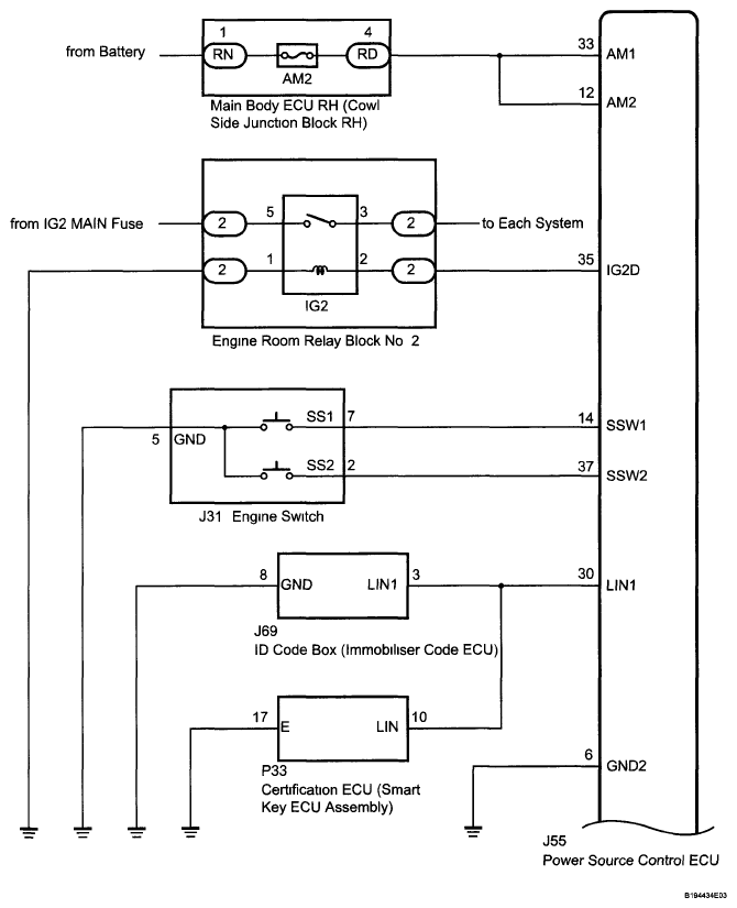
Fig 2: Main Body ECU And Power Source Control ECU - Wiring Diagram (2 Of 2)
G05754457Courtesy of © TOYOTA, LICENSE AGREEMENT TMS1002