LEMON Manuals: Even more car manuals for everyone
Home >> Lexus >> 2008 >> IS 350 >> Repair and Diagnosis >> Engine Performance >> Engine Control Systems >> Engine Control System (2GR-FSE) - System And Component Testing, On-Vehicle Inspection, Removal, Inspection & Installation >> ECM Power Source Circuit >> Wiring Diagram

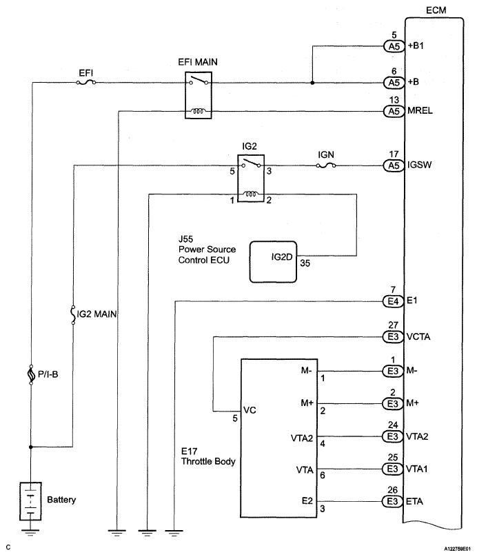
ECM Power Source Circuit: Wiring Diagram

Fig 1: ECM Power Source - Wiring Diagram (1 Of 2)
G05316157Courtesy of © TOYOTA, LICENSE AGREEMENT TMS1002
Fig 2: ECM Power Source - Wiring Diagram (2 Of 2)
G05316158Courtesy of © TOYOTA, LICENSE AGREEMENT TMS1002