LEMON Manuals: Even more car manuals for everyone
Home >> Lexus >> 2008 >> IS 350 >> Repair and Diagnosis (Single Page) >> Electrical >> Body Electrical >> OEM System Circuits >> Power Source >> Notes

Power Source: Notes

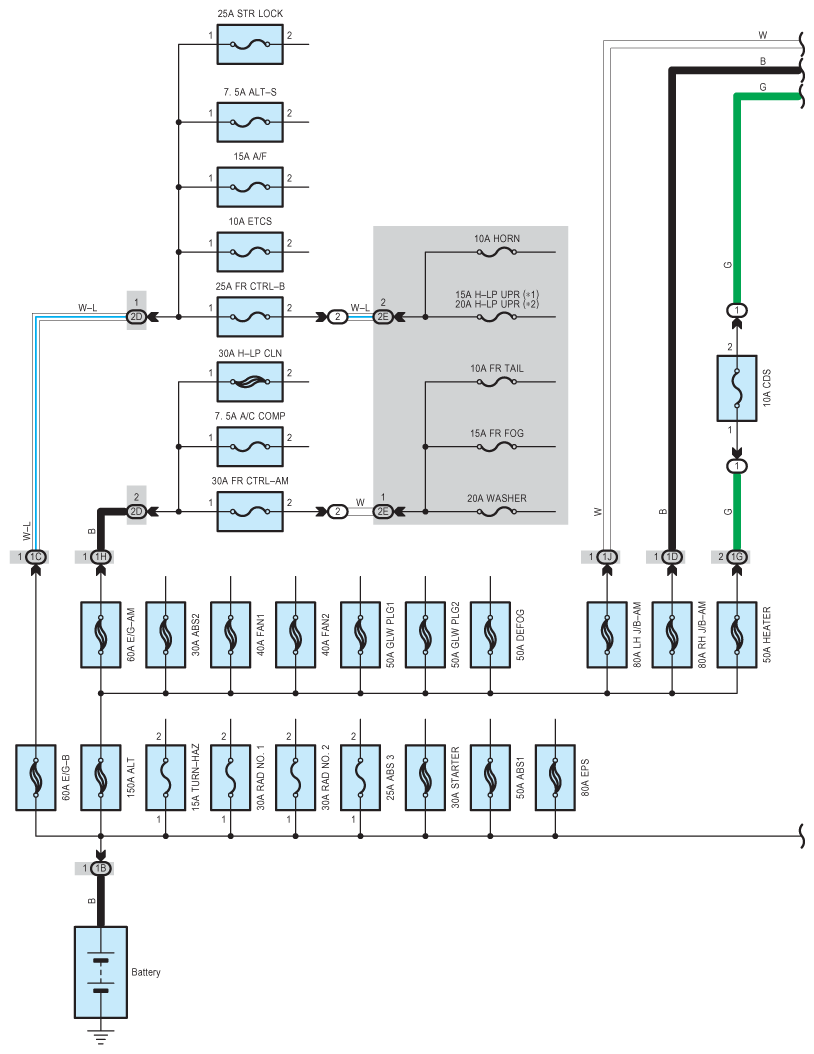
Fig 1: Power Source - Circuit Diagram (1 Of 5)
G07591593Courtesy of © TOYOTA, LICENSE AGREEMENT TMS1002
Fig 2: Power Source - Circuit Diagram (2 Of 5)
G07591594Courtesy of © TOYOTA, LICENSE AGREEMENT TMS1002
Fig 3: Power Source - Circuit Diagram (3 Of 5)
G07591595Courtesy of © TOYOTA, LICENSE AGREEMENT TMS1002
Fig 4: Power Source - Circuit Diagram (4 Of 5)
G07591596Courtesy of © TOYOTA, LICENSE AGREEMENT TMS1002
Fig 5: Power Source - Circuit Diagram (5 Of 5)
G07591597Courtesy of © TOYOTA, LICENSE AGREEMENT TMS1002