LEMON Manuals: Even more car manuals for everyone
Home >> Lexus >> 2008 >> IS 250 AWD >> Repair and Diagnosis >> Engine Performance >> System >> Engine Control System (4GR-FSE) - System And Component Testing, On-Vehicle Inspection, Removal, Inspection & Installation >> ECM Power Source Circuit >> Inspection Procedure

Inspection Procedure

  1. INSPECT ECM (+B, +B1 VOLTAGE) 
    1. Turn the engine switch on (IG).
    2. Measure the voltage according to the value (s) in the table below.

    Standard voltage 

    VOLTAGE SPECIFICATION CHART

    Tester Connection Specified Condition
    +B (A5-6) - E1 (E4-7) 9 to 14 V
    +B1 (A5-5) - E1 (E4-7) 9 to 14 V
    Fig 1: Identifying ECM Connector A5 And E4
    G05316159Courtesy of © TOYOTA, LICENSE AGREEMENT TMS1002

    OK: PROCEED TO NEXT CIRCUIT INSPECTION SHOWN IN  PROBLEM SYMPTOMS TABLE 

    NG: Go to Next Step 

  2. CHECK HARNESS AND CONNECTOR (ECM - BODY GROUND) 
    1. Disconnect the E4 ECM connector.
    2. Measure the resistance according to the value (s) in the table below.

      Standard resistance (Check for open) 

      RESISTANCE SPECIFICATION CHART

      Tester Connection Specified Condition
      E1 (E4-7) - Body ground Below 1 Ω
    3. Reconnect the ECM connector.
    4. Fig 2: Identifying E4 ECM Connector
      G05316160Courtesy of © TOYOTA, LICENSE AGREEMENT TMS1002

    NG: REPAIR OR REPLACE HARNESS OR CONNECTOR 

    OK: Go to Next Step 

  3. INSPECT ECM (IGSW VOLTAGE) 
    1. Turn the engine switch on (IG).
    2. Measure the voltage according to the value (s) in the table below.

    Standard voltage 

    VOLTAGE SPECIFICATION CHART

    Tester Connection Specified Condition
    IGSW (A5-17) - E1 (E4-7) 9 to 14 V
    Fig 3: Identifying ECM Connector A5 And E4
    G05316161Courtesy of © TOYOTA, LICENSE AGREEMENT TMS1002

    OK: Go to step   6 

    NG: Go to Next Step 

  4. CHECK FUSE (IGN FUSE) 
    1. Remove the IGN fuse from the cowl side junction block RH.
    2. Measure the resistance of the IGN fuse.

      Standard resistance: 

      Below 1 Ω 

    3. Reinstall the IGN fuse.
    4. Fig 4: Identifying IGN Fuse From Cowl Side Junction Block RH
      G05285288Courtesy of © TOYOTA, LICENSE AGREEMENT TMS1002

    NG: REPLACE FUSE 

    OK: Go to Next Step 

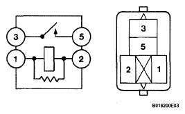
  5. INSPECT IGNITION RELAY NO. 2 
    1. Remove the IG2 relay from the engine room R/B No. 2.
    2. Measure the resistance according to the value (s) in the table below.

    Standard resistance 

    RESISTANCE SPECIFICATION CHART

    Tester Connection Specified Condition
    3-5 10 kΩ or higher
    3-5 Below 1 Ω (when battery voltage applied to terminals 1 and 2)
    Fig 5: Inspecting Ignition Relay No. 2
    G05823265Courtesy of © TOYOTA, LICENSE AGREEMENT TMS1002

    NG: REPLACE IGNITION RELAY NO. 2 

    OK: CHECK AND REPLACE SMART ACCESS SYSTEM WITH PUSH-BUTTON START 

  6. INSPECT ECM (MREL VOLTAGE) 
    1. Turn the engine switch on (IG).
    2. Measure the voltage according to the value (s) in the table below.

    Standard voltage 

    VOLTAGE SPECIFICATION CHART

    Tester Connection Specified Condition
    MREL (A5-13) - E1 (E4-7) 9 to 14 V
    Fig 6: Identifying ECM Connector A5 And E4
    G05316164Courtesy of © TOYOTA, LICENSE AGREEMENT TMS1002

    NG: REPLACE ECM 

    OK: Go to Next Step 

  7. CHECK FUSE (EFI FUSE) 
    1. Remove the EFI fuse from the engine room J/B No. 2.
    2. Measure the resistance of the EFI fuse.

      Standard resistance: 

      Below 1 Ω 

    3. Reinstall the EFI fuse.
    4. Fig 7: Identifying EFI Fuse From Engine Room J/B No. 2
      G05823267Courtesy of © TOYOTA, LICENSE AGREEMENT TMS1002

    NG: REPLACE FUSE 

    OK: Go to Next Step 

  8. INSPECT INTEGRATION RELAY (EFI MAIN RELAY) 
    1. Remove the integration relay from the engine room J/B No. 2.
    2. Measure the resistance according to the value (s) in the table below.

    Standard resistance 

    RESISTANCE SPECIFICATION CHART

    Tester Connection Specified Condition
    2A-5 - 2A-8 10 kΩ or higher
    Below 1 Ω (when battery voltage applied to terminals 2A-6 and 2A-7)
    Fig 8: Identifying Integration Relay Terminal 2C, 2B And 2A
    G05823268Courtesy of © TOYOTA, LICENSE AGREEMENT TMS1002

    NG: REPLACE INTEGRATION RELAY 

    OK: Go to Next Step 

  9. CHECK HARNESS AND CONNECTOR (INTEGRATION RELAY- ECM, INTEGRATION RELAY - BODY GROUND) 
    1. Check the harness and the connectors between the integration relay and the ECM.
      1. Remove the integration relay from the engine room J/B No. 2.
      2. Disconnect the A5 ECM connector.
      3. Measure the resistance according to the value (s) in the table below.

      Standard resistance (Check for open) 

      RESISTANCE SPECIFICATION CHART

      Tester Connection Specified Condition
      2A-6 - MREL (A5-13) Below 1 Ω

      Standard resistance (Check for short) 

      RESISTANCE SPECIFICATION CHART

      Tester Connection Specified Condition
      2A-6 or MREL (A5-13) - Body ground 10 kΩ or higher
    2. Check the harness and the connectors between the integration relay and body ground.
    Fig 9: Identifying A5 ECM Connector
    G05823269Courtesy of © TOYOTA, LICENSE AGREEMENT TMS1002
    1. Remove the integration relay from the engine room J/B No. 2.
    2. Measure the resistance according to the value (s) in the table below.

    Standard resistance (Check for open) 

    RESISTANCE SPECIFICATION CHART

    Tester Connection Specified condition
    2A-7 - Body ground Below 1 Ω

    NG: REPAIR OR REPLACE HARNESS OR CONNECTOR 

    OK: CHECK AND REPAIR HARNESS AND CONNECTOR (TERMINAL +B OF ECM - BATTERY POSITIVE TERMINAL)