LEMON Manuals: Even more car manuals for everyone
Home >> Lexus >> 2008 >> IS 250 AWD >> Repair and Diagnosis >> Body & Frame >> Windows >> Windshield/WINDOWGLASS >> Window Defogger System >> Rear Window Defogger System does not Operate >> Wiring Diagram

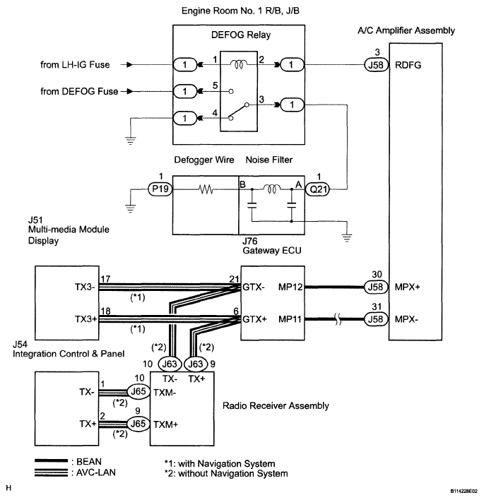
Rear Window Defogger System does not Operate: Wiring Diagram

Fig 1: Rear Window Defogger System Does Not Operate - Wiring Diagram
G05832916Courtesy of © TOYOTA, LICENSE AGREEMENT TMS1002