LEMON Manuals: Even more car manuals for everyone
Home >> Lexus >> 2008 >> GX 470 >> Repair and Diagnosis >> Engine Performance >> Engine Control System >> SFI System >> Fuel Pump Control Circuit >> Inspection Procedure

Inspection Procedure

  1. CHECK FUEL PUMP OPERATION 
    1. Check if there is pressure in the fuel inlet hose.

      HINT:

      If there is fuel pressure, you will hear the sound of fuel flowing.

    OK: Go to step  10

    NG: Go to Next Step 

  2. PERFORM ACTIVE TEST BY TECHSTREAM (OPERATE CIRCUIT OPENING RELAY) 
    1. Connect the Techstream to the DLC3.
    2. Turn the ignition switch ON and turn the tester ON.
    3. Enter the following menus: Powertrain/Engine and ECT/Active Test/Control the Fuel Pump/Speed.
    4. Check the relay operation when it is operated by the Techstream.

      Standard: 

      Operating sound can be heard from the relay. 

    OK: Go to step  5

    NG: Go to Next Step 

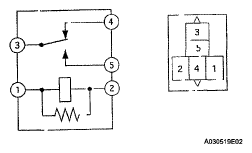
  3. INSPECT CIRCUIT OPENING RELAY (Marking: C/OPN) 
    1. Remove the circuit opening relay from the engine room R/B.
    2. Measure the resistance of the circuit opening relay.

      Standard resistance 

      STANDARD RESISTANCE

      Tester Connection Specified Condition
      3-5 10 kΩ or higher
      3-5 Below 1 Ω (when battery voltage is applied to terminals 1 and 2)
    3. Reinstall the circuit opening relay.

    NG: REPLACE CIRCUIT OPENING RELAY 

    Fig 1: Inspecting Circuit Opening Relay (Marking - C/OPN)
    G04967794Courtesy of © TOYOTA, LICENSE AGREEMENT TMS1002

    OK: Go to Next Step 

  4. INSPECT ECM (FC VOLTAGE) 
    1. Turn the ignition switch ON.
    2. Measure the voltage of the E7 and E9 ECM connectors Standard voltage
      TESTER CONNECTION AND SPECIFIED CONDITION

      Tester Connection Specified Condition
      FC (E9-10) - E1 (E7-1) 9 to 14 V

    OK: REPLACE ECM 

    Fig 2: Inspecting ECM (FC Voltage)
    G05264283Courtesy of © TOYOTA, LICENSE AGREEMENT TMS1002

    NG: CHECK AND REPAIR HARNESS OR CONNECTOR (ECM - CIRCUIT OPENING RELAY, CIRCUIT OPENING RELAY - IGNITION SWITCH) 

  5. CHECK ECM POWER SOURCE CIRCUIT 
    1. Check the ECM Power Source Circuit (See ECM POWER SOURCE CIRCUIT  ).

    NG: REPAIR OR REPLACE 

    OK: Go to Next Step 

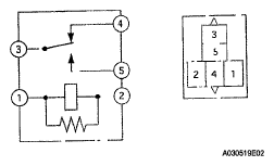
  6. INSPECT FUEL PUMP RELAY 
    1. Remove the fuel pump relay from the engine room R/B.
    2. Measure the resistance of the fuel pump relay.

      Standard resistance 

      STANDARD RESISTANCE

      Tester Connection Specified Condition
      3-4 Below 1 Ω
      3-5 10 kΩ or higher
      3-4 10 kΩ or higher (when battery voltage is applied to terminals 1 and 2)
      3-5 Below 1 Ω (when battery voltage is applied to terminals 1 and 2)
      Fig 3: Inspecting Fuel Pump Relay
      G05843757Courtesy of © TOYOTA, LICENSE AGREEMENT TMS1002
    3. Reinstall the fuel pump relay.

    NG: REPLACE FUEL PUMP RELAY 

    OK: Go to Next Step 

  7. INSPECT FUEL PUMP 
    1. Check the fuel pump operation (See ON-VEHICLE INSPECTION ).

    NG: REPLACE FUEL PUMP 

    OK: Go to Next Step 

  8. CHECK HARNESS AND CONNECTOR (FUEL PUMP - FUEL PUMP RELAY, FUEL PUMP BODY GROUND) 
    1. Check the harness and connector between the fuel pump and fuel pump relay.
      1. Disconnect the F15 fuel pump connector.
      2. Remove the fuel pump relay from the engine room R/B.
      3. Measure the resistance between the wire harness side connectors.

        Standard resistance (Check for open) 

        STANDARD RESISTANCE

        Tester Connection Specified Condition
        Fuel pump (F15-4) - Engine room R/B (Fuel pump relay terminal 4) Below 1 Ω

        Standard resistance (Check for short) 

        STANDARD RESISTANCE

        Tester Connection Specified Condition
        Fuel pump (F15-4) or Engine room R/B (Fuel pump relay terminal 4) - Body ground 10 kΩ or higher
        Fig 4: Checking Harness And Connector (Fuel Pump - Fuel Pump Relay, Fuel Pump Body Ground)
        G05843758Courtesy of © TOYOTA, LICENSE AGREEMENT TMS1002
    2. Check the harness and connector between the fuel pump and body ground.
      1. Disconnect the F15 fuel pump connector.
      2. Measure the resistance between the wire harness side connector and body ground.

        Standard resistance (Check for open) 

        STANDARD RESISTANCE

        Tester Connection Specified Condition
        Fuel pump (F15-5) - Body ground Below 1 Ω

    NG: REPAIR OR REPLACE HARNESS OR CONNECTOR 

    OK: Go to Next Step 

  9. CHECK HARNESS AND CONNECTOR (CIRCUIT OPENING RELAY - FUEL PUMP RELAY) 
    1. Remove the circuit opening relay from the engine room R/B.
    2. Remove the fuel pump relay from the engine room R/B.
    3. Measure the resistance between the wire harness side connectors.

      Standard resistance (Check for open) 

      STANDARD RESISTANCE

      Tester Connection Specified Condition
      Circuit opening relay (3) - Engine room R/B (Fuel pump relay terminal 3) Below 1 Ω

      Standard resistance (Check for short) 

      STANDARD RESISTANCE

      Tester Connection Specified Condition
      Circuit opening relay (3) or Engine room R/B (Fuel pump relay terminal 3) - Body ground 10 kΩ or higher
    4. Reinstall the circuit opening relay.
    5. Reinstall the fuel pump relay.

    NG: REPAIR OR REPLACE HARNESS OR CONNECTOR 

    Fig 5: Checking Harness And Connector (Circuit Opening Relay - Fuel Pump Relay)
    G04968187Courtesy of © TOYOTA, LICENSE AGREEMENT TMS1002

    OK: CHECK AND REPAIR HARNESS OR CONNECTOR (EFI RELAY - CIRCUIT OPENING RELAY) 

  10. INSPECT FUEL PUMP RELAY 
    1. Remove the fuel pump relay from the engine room R/B.
    2. Measure the resistance of the fuel pump relay.

      Standard resistance 

      STANDARD RESISTANCE

      Tester Connection Specified Condition
      3-4 Below 1 Ω
      3-5 10 kΩ or higher
      3-4 10 kΩ or higher (when battery voltage is applied to terminals 1 and 2)
      3-5 Below 1 Ω (when battery voltage is applied to terminals 1 and 2)
    3. Reinstall the fuel pump relay.
      Fig 6: Inspecting Fuel Pump Relay
      G05843760Courtesy of © TOYOTA, LICENSE AGREEMENT TMS1002

    NG: REPLACE FUEL PUMP RELAY 

    OK: Go to Next Step 

  11. INSPECT FUEL PUMP RESISTOR (RESISTANCE) 
    1. Inspect the fuel pump resistor resistance.
      1. Measure the resistance of the terminals.

        Standard resistance: 

        0.70 to 0.76 Ω at 20°C (68°F) 

    NG: REPLACE FUEL PUMP RESISTOR 

    Fig 7: Inspecting Fuel Pump Resistor (Resistance)
    G05843761Courtesy of © TOYOTA, LICENSE AGREEMENT TMS1002

    OK: Go to Next Step 

  12. CHECK HARNESS AND CONNECTOR (FUEL PUMP RELAY - FUEL PUMP RESISTOR, FUEL PUMP RESISTOR - FUEL PUMP) 
    1. Check the harness and connector between the fuel pump relay and fuel pump resistor.
      1. Remove the fuel pump relay from the engine room R/B.
      2. Disconnect the F6 fuel pump resistor connector.
      3. Check the resistance between the wire harness side connectors.

        Standard resistance (Check for open) 

        STANDARD RESISTANCE

        Tester Connection Specified Condition
        Engine room R/B (Fuel pump relay terminal 5) - Fuel pump resistor (F6-1) Below 1 Ω

        Standard resistance (Check for short) 

        STANDARD RESISTANCE

        Tester Connection Specified Condition
        Engine room R/B (Fuel pump relay terminal 5) or Fuel pump resistor (F6-1) - Body ground 10 kΩ or higher
      4. Reinstall the fuel pump relay.
      5. Reconnect the fuel pump resistor connector.
    2. Check the harness and connector between the fuel pump resistor and fuel pump.
      1. Disconnect the F6 fuel pump resistor connector.
      2. Disconnect the F15 fuel pump connector.
      3. Check the resistance between the wire harness side connectors.
        Fig 8: Checking Harness And Connector (Fuel Pump Relay - Fuel Pump Resistor, Fuel Pump Resistor - Fuel Pump)
        G05264289Courtesy of © TOYOTA, LICENSE AGREEMENT TMS1002

        Standard resistance (Check for open) 

        STANDARD RESISTANCE

        Tester Connection Specified Condition
        Fuel pump resistor (F6-2) - Fuel pump (F15-4) Below 1 Ω

        Standard resistance (Check for short) 

        STANDARD RESISTANCE

        Tester Connection Specified Condition
        Fuel pump resistor (F6-2) or Fuel pump (F15-4) - Body ground 10 kΩ or higher
    3. Reconnect the fuel pump resistor connector.
    4. Reconnect the fuel pump connector.

    OK: PROCEED TO NEXT CIRCUIT INSPECTION SHOWN IN PROBLEM SYMPTOMS TABLE 

    NG: REPAIR OR REPLACE HARNESS OR CONNECTOR