LEMON Manuals: Even more car manuals for everyone
Home >> Lexus >> 2008 >> GS 450h >> Repair and Diagnosis >> Engine Performance >> System >> Engine Control System - SFI System Diagnostic Introduction, Precautions, Diagnostic Trouble Code Chart >> SFI System >> System Diagram

System Diagram

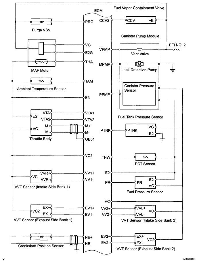
Fig 1: Engine Control System Diagram (1 Of 5)
G05813261Courtesy of © TOYOTA, LICENSE AGREEMENT TMS1002
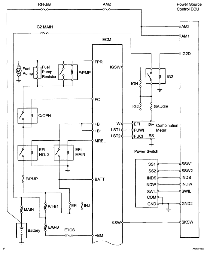
Fig 2: Engine Control System Diagram (2 Of 5)
G05302240Courtesy of © TOYOTA, LICENSE AGREEMENT TMS1002
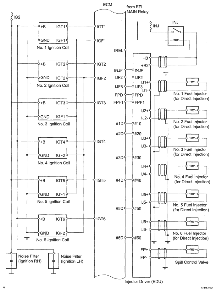
Fig 3: Engine Control System Diagram (3 Of 5)
G05813263Courtesy of © TOYOTA, LICENSE AGREEMENT TMS1002
Fig 4: Engine Control System Diagram (4 Of 5)
G05285280Courtesy of © TOYOTA, LICENSE AGREEMENT TMS1002
Fig 5: Engine Control System Diagram (5 Of 5)
G05813265Courtesy of © TOYOTA, LICENSE AGREEMENT TMS1002