LEMON Manuals: Even more car manuals for everyone
Home >> Lexus >> 2008 >> ES 350 >> Repair and Diagnosis >> Engine Performance >> System >> Engine Control System - System & Component Testing, Removal, Inspection & Installation >> Fuel Pump Control Circuit >> Wiring Diagram

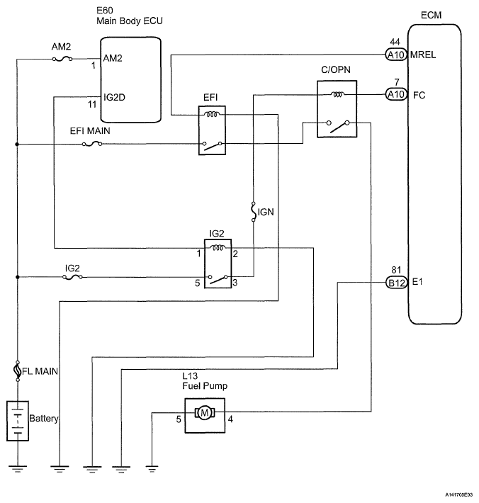
Fuel Pump Control Circuit: Wiring Diagram

Fig 1: Fuel Pump - Wiring Diagram
G05835577Courtesy of © TOYOTA, LICENSE AGREEMENT TMS1002