LEMON Manuals: Even more car manuals for everyone
Home >> Lexus >> 2007 >> SC 430 >> Repair and Diagnosis >> Engine Performance >> Engine Control System >> SFI System >> Fuel Pump Control Circuit >> Inspection Procedure

Inspection Procedure

HINT:

This troubleshooting procedure is based on the premise that the engine is started. If the engine is not started, proceed to the PROBLEM SYMPTOMS TABLE  .

  1. PERFORM ACTIVE TEST BY INTELLIGENT TESTER (OPERATE C/OPN RELAY) 
    1. Connect the intelligent tester to the CAN VIM. Then connect the CAN VIM to the DLC3.
    2. Turn the ignition switch ON and turn the tester ON.
    3. Enter the following menus: DIAGNOSIS / ENHANCED OBD II / ACTIVE TEST / FUEL PUMP / SPD.
    4. Check the relay operation while operating it using the tester.

      OK: 

      Operating noise can be heard from the relay. 

    OK: Go to step  6

    NG: Go to next step 

  2. INSPECT FUSE (IGN) 
    Fig 1: Inspecting IGN Fuse
    G05291549Courtesy of © TOYOTA, LICENSE AGREEMENT TMS1002
    1. Remove the IGN fuse from the engine room No. 1 relay block.
    2. Measure the resistance of the fuse.

      Standard resistance: 

      Below 1 Ω 

    NG: REPLACE FUSE 

    OK: Go to next step 

  3. INSPECT CIRCUIT OPENING RELAY (Marking: CIR OPN) 
    Fig 2: Inspecting Circuit Opening Relay
    G05291550Courtesy of © TOYOTA, LICENSE AGREEMENT TMS1002
    1. Remove the circuit opening relay from the engine room No. 2 relay block.
    2. Measure the resistance of the relay.

      Standard resistance: 

      Below 1 Ω 

    NG: REPLACE CIRCUIT OPENING RELAY 

    OK: Go to next step 

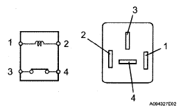
  4. INSPECT IG2 RELAY (Marking: IG2) 
    Fig 3: Inspecting IG2 Relay
    G05291551Courtesy of © TOYOTA, LICENSE AGREEMENT TMS1002
    1. Remove the IG2 relay from the engine room No. 1 relay block.
    2. Measure the resistance of the relay.

      Standard resistance 

      TESTER CONNECTION SPECIFIED CONDITION CHART

      Tester Connection Specified Condition
      3 - 5 10 kΩ or higher
      3 - 5 Below 1 Ω (when battery voltage is applied to terminals 1 and 2)

    NG: REPLACE IG2 RELAY 

    OK: Go to next step 

  5. CHECK ECM (FC VOLTAGE) 
    1. Turn the ignition switch ON.
    2. Measure the voltage of the ECM connector.
      Fig 4: Identifying E6 ECM Connector Terminals
      G05291552Courtesy of © TOYOTA, LICENSE AGREEMENT TMS1002

      Standard voltage 

      TESTER CONNECTION SPECIFIED CONDITION CHART

      Tester Connection Specified Condition
      E6-14 (FC) - Body ground 9 to 14 V

    NG: REPAIR OR REPLACE HARNESS AND CONNECTOR 

    OK: REPLACE ECM 

  6. INSPECT FUEL PUMP RELAY (Marking: F/PMP) 
    Fig 5: Inspecting Fuel Pump Relay
    G05291553Courtesy of © TOYOTA, LICENSE AGREEMENT TMS1002
    1. Remove the fuel pump relay from the engine room No. 2 relay block.
    2. Measure the resistance of the relay.

      Standard resistance 

      TESTER CONNECTION SPECIFIED CONDITION CHART

      Tester Connection Specified Condition
      3 - 4 Below 1 Ω
      3 - 4 10 kΩ or higher (when battery voltage is applied to terminals 1 and 2)

    NG: REPLACE FUEL PUMP RELAY 

    OK: Go to next step 

  7. INSPECT FUEL PUMP 
    Fig 6: Identifying Fuel Pump Connector Terminals
    G05291554Courtesy of © TOYOTA, LICENSE AGREEMENT TMS1002
    1. Check the resistance of the fuel pump.
      1. Measure the resistance between terminals 4 and 5.

      Standard resistance: 

      0.2 to 3.0 Ω at 20°C (68°F) 

    2. Check the operation of the fuel pump.
      1. Apply battery voltage to both the terminals. Check that the pump operates.
    NOTE:
    • These tests must be done quickly (within 10 seconds) to prevent the coil from burning out.
    • Keep fuel pump as far away from the battery as possible.
    CAUTION: Always turn the voltage on and off on the battery side, not the fuel pump.

    NG: REPLACE FUEL PUMP 

    OK: Go to next step 

  8. INSPECT FUEL PUMP RESISTOR 
    Fig 7: Inspecting Fuel Pump Resistor
    G05291555Courtesy of © TOYOTA, LICENSE AGREEMENT TMS1002
    1. Measure the resistance of the resistor.

      Standard resistance: 

      0.30 to 0.34 Ω at 20°C (68°F) 

    NG: REPLACE FUEL PUMP RESISTOR 

    OK: Go to next step 

  9. CHECK ECM (FPR VOLTAGE) 
    1. Turn the ignition switch ON.
    2. Measure the voltage of the ECM connector.
      Fig 8: Identifying E6 ECM Connector Terminals
      G05291556Courtesy of © TOYOTA, LICENSE AGREEMENT TMS1002

      Standard voltage 

      TESTER CONNECTION SPECIFIED CONDITION CHART

      Tester Connection Specified Condition
      E6-15 (FPR) - Body ground 9 to 14 V

    NG: REPAIR OR REPLACE HARNESS AND CONNECTOR 

    OK: Go to next step 

  10. CHECK FOR SHORT OR OPEN IN ALL HARNESSES CONNECTED TO FUEL PUMP AND FUEL PUMP RESISTOR 

    NG: REPAIR OR REPLACE HARNESS AND CONNECTOR 

    OK: REPLACE ECM