LEMON Manuals: Even more car manuals for everyone
Home >> Lexus >> 2007 >> SC 430 >> Repair and Diagnosis >> Engine Performance >> Engine Control System >> SFI System >> EVAP System >> Wiring Diagram

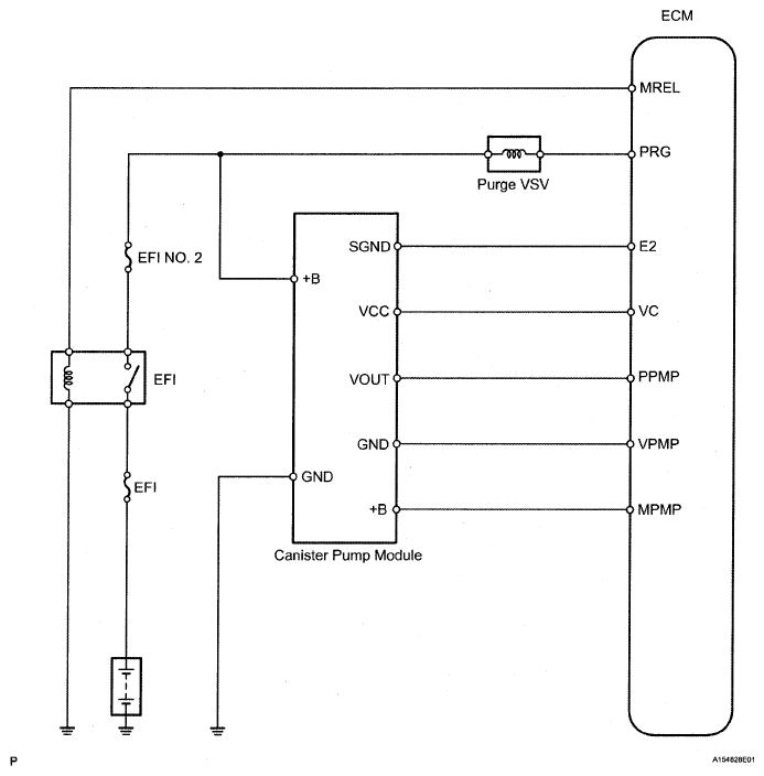
EVAP System: Wiring Diagram

Fig 1: Canister Pump Module - Wiring Diagram
G05291505Courtesy of © TOYOTA, LICENSE AGREEMENT TMS1002