LEMON Manuals: Even more car manuals for everyone
Home >> Lexus >> 2007 >> SC 430 >> Repair and Diagnosis >> Engine Performance >> Engine Control System >> SFI System >> DTC P0420 Catalyst System Efficiency Below Threshold (Bank 1); DTC P0430 Catalyst System Efficiency Below Threshold (Bank 2) >> Wiring Diagram

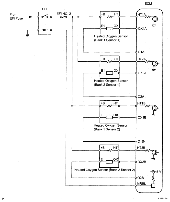
DTC P0420 Catalyst System Efficiency Below Threshold (Bank 1); DTC P0430 Catalyst System Efficiency Below Threshold (Bank 2): Wiring Diagram

Fig 1: Heated Oxygen Sensor - Wiring Diagram
G05291436Courtesy of © TOYOTA, LICENSE AGREEMENT TMS1002