LEMON Manuals: Even more car manuals for everyone
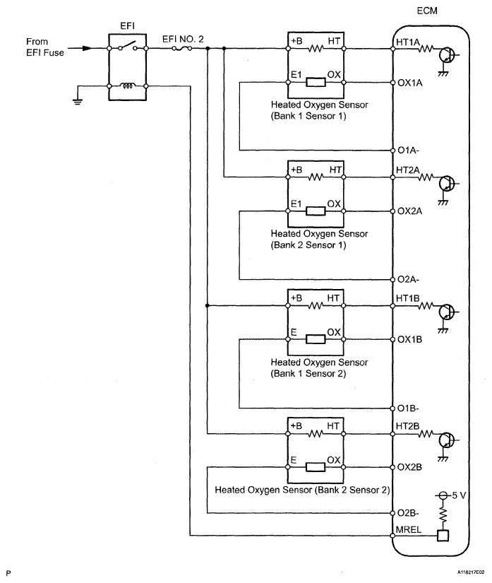
Home >> Lexus >> 2007 >> SC 430 >> Repair and Diagnosis >> Engine Performance >> Engine Control System >> SFI System >> DTC P0134 Oxygen Sensor Circuit No Activity Detected (Bank 1 Sensor 1); DTC P0154 Oxygen Sensor Circuit No Activity Detected (Bank 2 Sensor 1) >> Wiring Diagram

DTC P0134 Oxygen Sensor Circuit No Activity Detected (Bank 1 Sensor 1); DTC P0154 Oxygen Sensor Circuit No Activity Detected (Bank 2 Sensor 1): Wiring Diagram

Fig 1: Heated Oxygen Sensor - Wiring Diagram
G05291366Courtesy of © TOYOTA, LICENSE AGREEMENT TMS1002