LEMON Manuals: Even more car manuals for everyone
Home >> Lexus >> 2007 >> SC 430 >> Repair and Diagnosis >> Electrical >> Starter >> Starting >> Starting System >> System Diagram

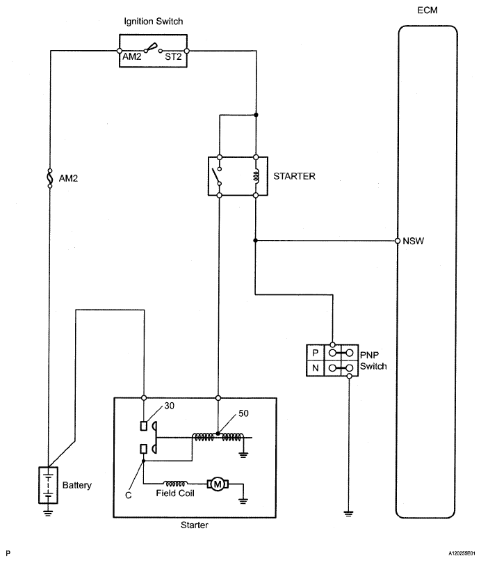
System Diagram

Fig 1: Starting System Diagram
G05289428Courtesy of © TOYOTA, LICENSE AGREEMENT TMS1002