LEMON Manuals: Even more car manuals for everyone
Home >> Lexus >> 2007 >> SC 430 >> Repair and Diagnosis >> Electrical >> Charging Systems >> Charging >> Charging System >> System Diagram

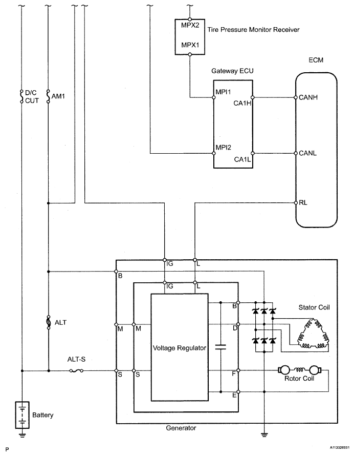
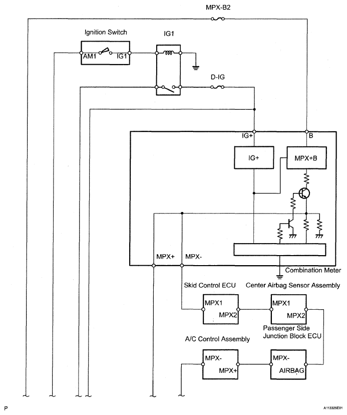
System Diagram

The charging system uses the voltage regulator to regulate electricity that is generated by the rotor coil rotations. This electricity is stored in the battery.

Fig 1: Charging System Diagram (1 Of 2)
G05289472Courtesy of © TOYOTA, LICENSE AGREEMENT TMS1002
Fig 2: Charging System Diagram (2 Of 2)
G05289473Courtesy of © TOYOTA, LICENSE AGREEMENT TMS1002