LEMON Manuals: Even more car manuals for everyone
Home >> Lexus >> 2007 >> SC 430 >> Repair and Diagnosis >> Electrical >> Body Electrical >> OEM System Circuits >> Multiplex Communication System - Door ECU >> Notes

Multiplex Communication System - Door ECU: Notes

Fig 1: Multiplex Communication System - Door Ecu - Wiring Diagram (1 Of 7)
G08933796Courtesy of © TOYOTA, LICENSE AGREEMENT TMS1002
Fig 2: Multiplex Communication System - Door Ecu - Wiring Diagram (2 Of 7)
G08933797Courtesy of © TOYOTA, LICENSE AGREEMENT TMS1002
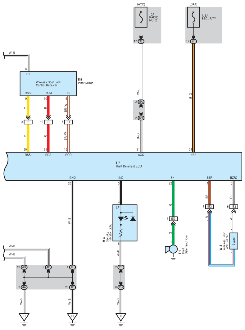
Fig 3: Multiplex Communication System - Door Ecu - Wiring Diagram (3 Of 7)
G08933798Courtesy of © TOYOTA, LICENSE AGREEMENT TMS1002
Fig 4: Multiplex Communication System - Door Ecu - Wiring Diagram (4 Of 7)
G08933799Courtesy of © TOYOTA, LICENSE AGREEMENT TMS1002
Fig 5: Multiplex Communication System - Door Ecu - Wiring Diagram (5 Of 7)
G08933800Courtesy of © TOYOTA, LICENSE AGREEMENT TMS1002
Fig 6: Multiplex Communication System - Door Ecu - Wiring Diagram (6 Of 7)
G08933801Courtesy of © TOYOTA, LICENSE AGREEMENT TMS1002
Fig 7: Multiplex Communication System - Door Ecu - Wiring Diagram (7 Of 7)
G08933802Courtesy of © TOYOTA, LICENSE AGREEMENT TMS1002