LEMON Manuals: Even more car manuals for everyone
Home >> Lexus >> 2007 >> SC 430 >> Repair and Diagnosis >> Electrical >> Body Electrical >> OEM System Circuits >> Engine Immobilizer System >> Notes

Engine Immobilizer System: Notes

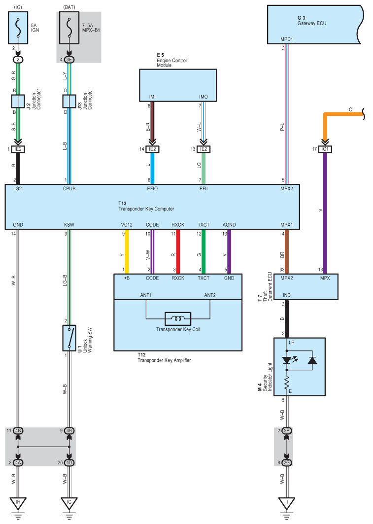
Fig 1: Engine Immobilizer System - Wiring Diagram (1 Of 2)
G08933770Courtesy of © TOYOTA, LICENSE AGREEMENT TMS1002
Fig 2: Engine Immobilizer System - Wiring Diagram (2 Of 2)
G08933771Courtesy of © TOYOTA, LICENSE AGREEMENT TMS1002