LEMON Manuals: Even more car manuals for everyone
Home >> Lexus >> 2007 >> SC 430 >> Repair and Diagnosis (Single Page) >> Electrical >> Body Electrical >> OEM System Circuits >> Front Fog Light >> Notes

Front Fog Light: Notes

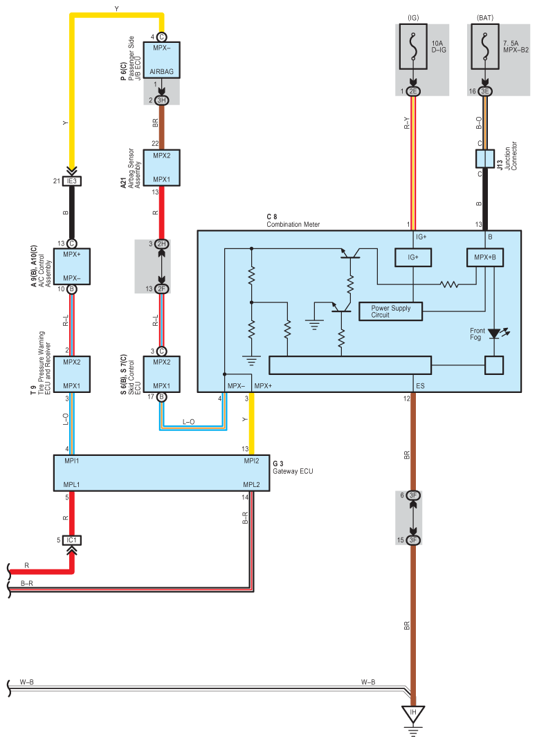
Fig 1: Front Fog Light - Wiring Diagram (1 Of 2)
G08933805Courtesy of © TOYOTA, LICENSE AGREEMENT TMS1002
Fig 2: Front Fog Light - Wiring Diagram (2 Of 2)
G08933806Courtesy of © TOYOTA, LICENSE AGREEMENT TMS1002