LEMON Manuals: Even more car manuals for everyone
Home >> Lexus >> 2007 >> SC 430 >> Repair and Diagnosis (Single Page) >> Electrical >> Body Electrical >> OEM System Circuits >> Engine Control >> Notes

Engine Control: Notes

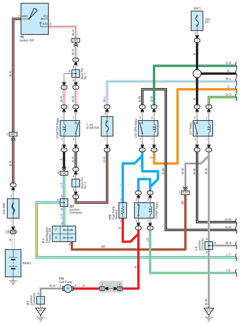
Fig 1: Engine Control - Wiring Diagram (1 Of 9)
G08933761Courtesy of © TOYOTA, LICENSE AGREEMENT TMS1002
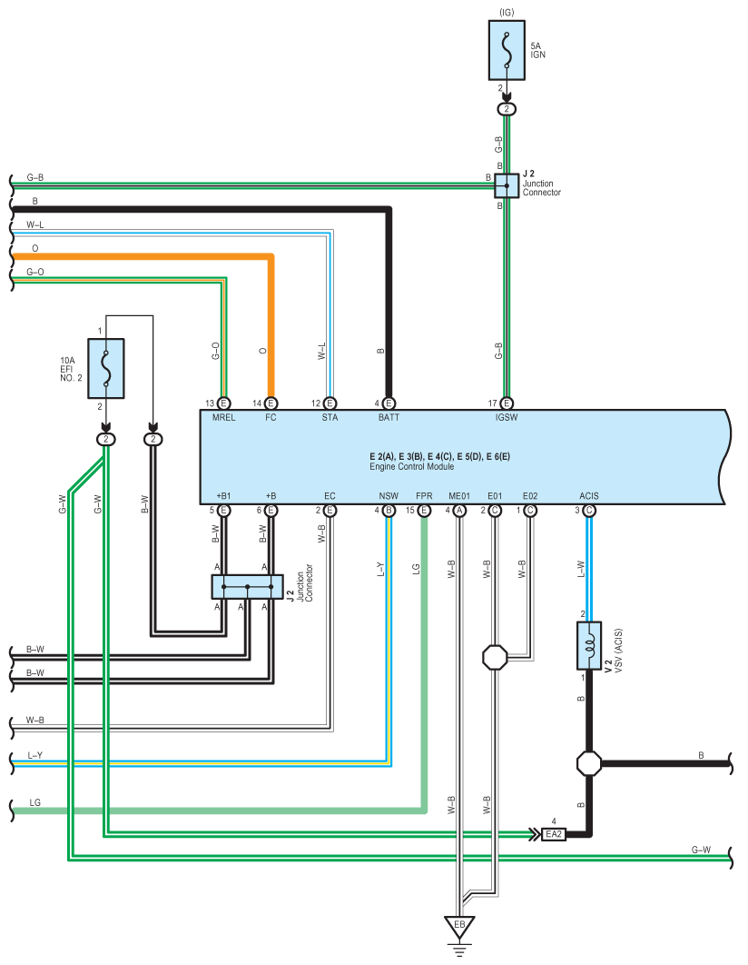
Fig 2: Engine Control - Wiring Diagram (2 Of 9)
G08933762Courtesy of © TOYOTA, LICENSE AGREEMENT TMS1002
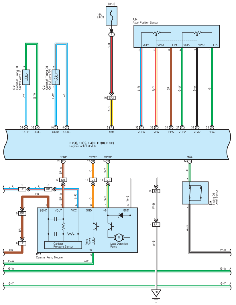
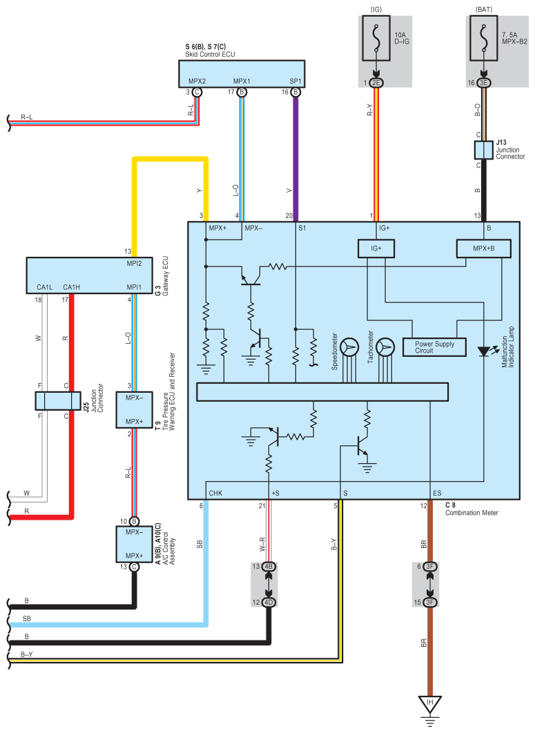
Fig 3: Engine Control - Wiring Diagram (3 Of 9)
G08933763Courtesy of © TOYOTA, LICENSE AGREEMENT TMS1002
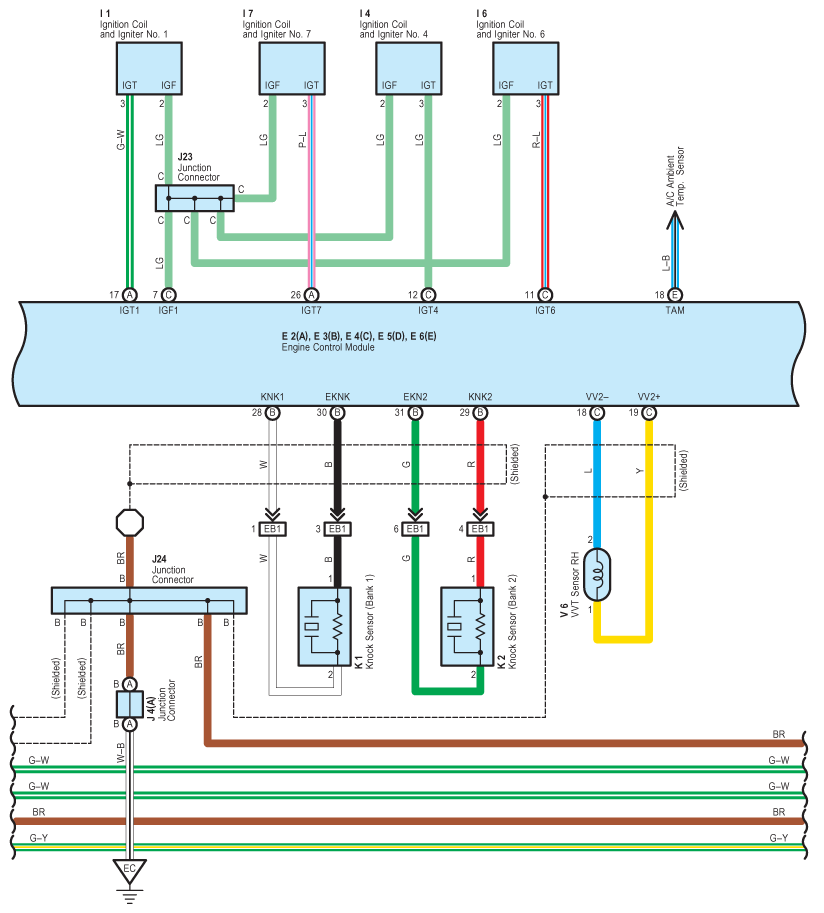
Fig 4: Engine Control - Wiring Diagram (4 Of 9)
G08933764Courtesy of © TOYOTA, LICENSE AGREEMENT TMS1002
Fig 5: Engine Control - Wiring Diagram (5 Of 9)
G08933765Courtesy of © TOYOTA, LICENSE AGREEMENT TMS1002
Fig 6: Engine Control - Wiring Diagram (6 Of 9)
G08933766Courtesy of © TOYOTA, LICENSE AGREEMENT TMS1002
Fig 7: Engine Control - Wiring Diagram (7 Of 9)
G08933767Courtesy of © TOYOTA, LICENSE AGREEMENT TMS1002
Fig 8: Engine Control - Wiring Diagram (8 Of 9)
G08933768Courtesy of © TOYOTA, LICENSE AGREEMENT TMS1002
Fig 9: Engine Control - Wiring Diagram (9 Of 9)
G08933769Courtesy of © TOYOTA, LICENSE AGREEMENT TMS1002