LEMON Manuals: Even more car manuals for everyone
Home >> Lexus >> 2007 >> RX 400h AWD >> Repair and Diagnosis >> External Pages >> Different car >> Section 931 (Engine Control System - System And Component Testing) >> Air Fuel Ratio Sensor Relay >> On-Vehicle Inspection

On-Vehicle Inspection

WARNING: This page is about a different car, the 2006 Toyota Land Cruiser. However, it is still accessible from the selected car via links, so may be relevant.
  1. REMOVE A/F RELAY (Marking: A/F HTR) 
    1. Remove the engine room No. 8 relay block cover.
    2. Remove the relay from the engine room No. 8 relay block.
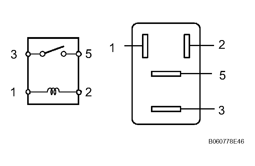
  2. CHECK A/F RELAY 
    1. Measure the resistance of the relay.

      Standard resistance 

      A/F RELAY

      Tester Connection Specified Condition
      3 - 5 10 kΩ or higher
      3 - 5 Below 1 Ω
      (when battery voltage is applied to terminals 1 and 2)
      Fig 1: Checking A/F Relay
      G04435557Courtesy of © TOYOTA, LICENSE AGREEMENT TMS1002

      If the result is not as specified, replace the relay.

  3. INSTALL A/F RELAY