LEMON Manuals: Even more car manuals for everyone
Home >> Lexus >> 2007 >> RX 400h AWD >> Repair and Diagnosis >> Engine Performance >> Engine Control System >> SFI System >> VC Output Circuit >> Wiring Diagram

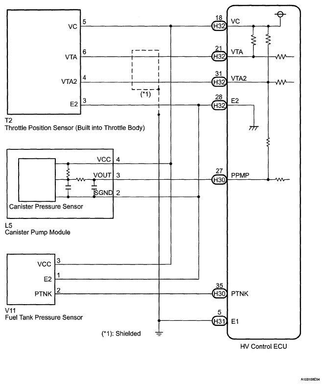
VC Output Circuit: Wiring Diagram

Fig 1: VC Output - Wiring Diagram
G05275747Courtesy of © TOYOTA, LICENSE AGREEMENT TMS1002