LEMON Manuals: Even more car manuals for everyone
Home >> Lexus >> 2007 >> LX 470 >> Repair and Diagnosis (Single Page) >> Electrical >> Body Electrical >> OEM System Circuits >> Power Source >> Notes

Power Source: Notes

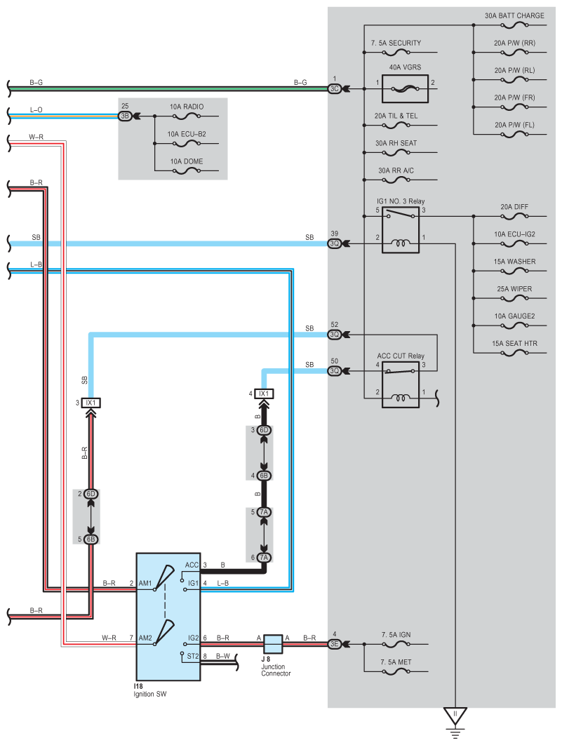
Fig 1: Power Source - Wiring Diagram (1 Of 3)
G08922705Courtesy of © TOYOTA, LICENSE AGREEMENT TMS1002
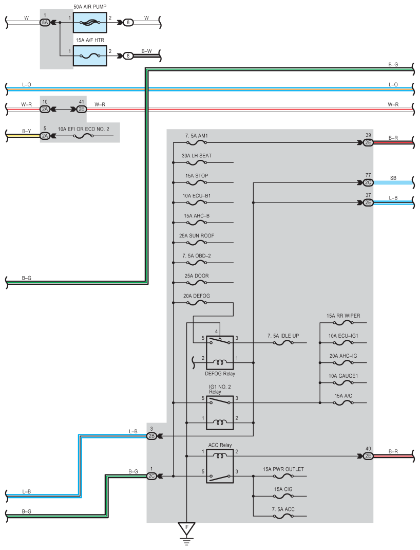
Fig 2: Power Source - Wiring Diagram (2 Of 3)
G08922706Courtesy of © TOYOTA, LICENSE AGREEMENT TMS1002
Fig 3: Power Source - Wiring Diagram (3 Of 3)
G08922707Courtesy of © TOYOTA, LICENSE AGREEMENT TMS1002