LEMON Manuals: Even more car manuals for everyone
Home >> Lexus >> 2007 >> LX 470 >> Repair and Diagnosis (Single Page) >> Electrical >> Body Electrical >> OEM System Circuits >> Charging >> Notes

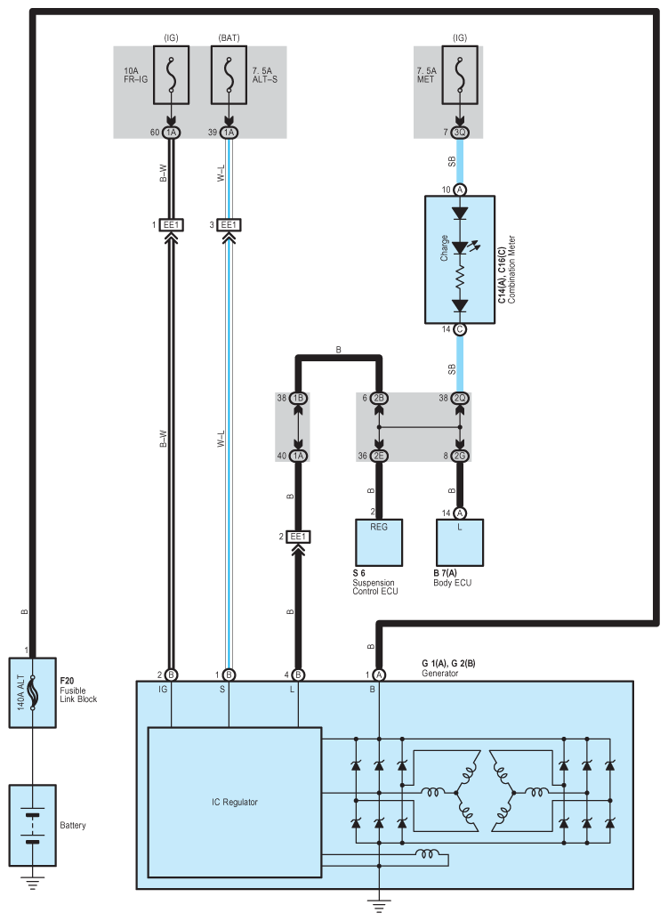
OEM System Circuits: Charging: Notes

Fig 1: Charging - Circuit Diagram
G08922711Courtesy of © TOYOTA, LICENSE AGREEMENT TMS1002