LEMON Manuals: Even more car manuals for everyone
Home >> Lexus >> 2007 >> LX 470 >> Repair and Diagnosis (Single Page) >> Electrical >> Body Electrical >> OEM System Circuits >> Audio System without Navigation System >> Notes

Audio System without Navigation System: Notes

Fig 1: Audio System Without Navigation System - Wiring Diagram (1 Of 3)
G08922904Courtesy of © TOYOTA, LICENSE AGREEMENT TMS1002
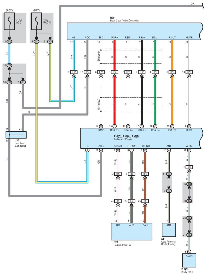
Fig 2: Audio System Without Navigation System - Wiring Diagram (2 Of 3)
G08922905Courtesy of © TOYOTA, LICENSE AGREEMENT TMS1002
Fig 3: Audio System Without Navigation System - Wiring Diagram (3 Of 3)
G08922906Courtesy of © TOYOTA, LICENSE AGREEMENT TMS1002