LEMON Manuals: Even more car manuals for everyone
Home >> Lexus >> 2007 >> LS 460L >> Repair and Diagnosis >> External Pages >> Different car >> Section 77 (Engine Controls - System & Component Testing) >> Injector Circuit >> Wiring Diagram

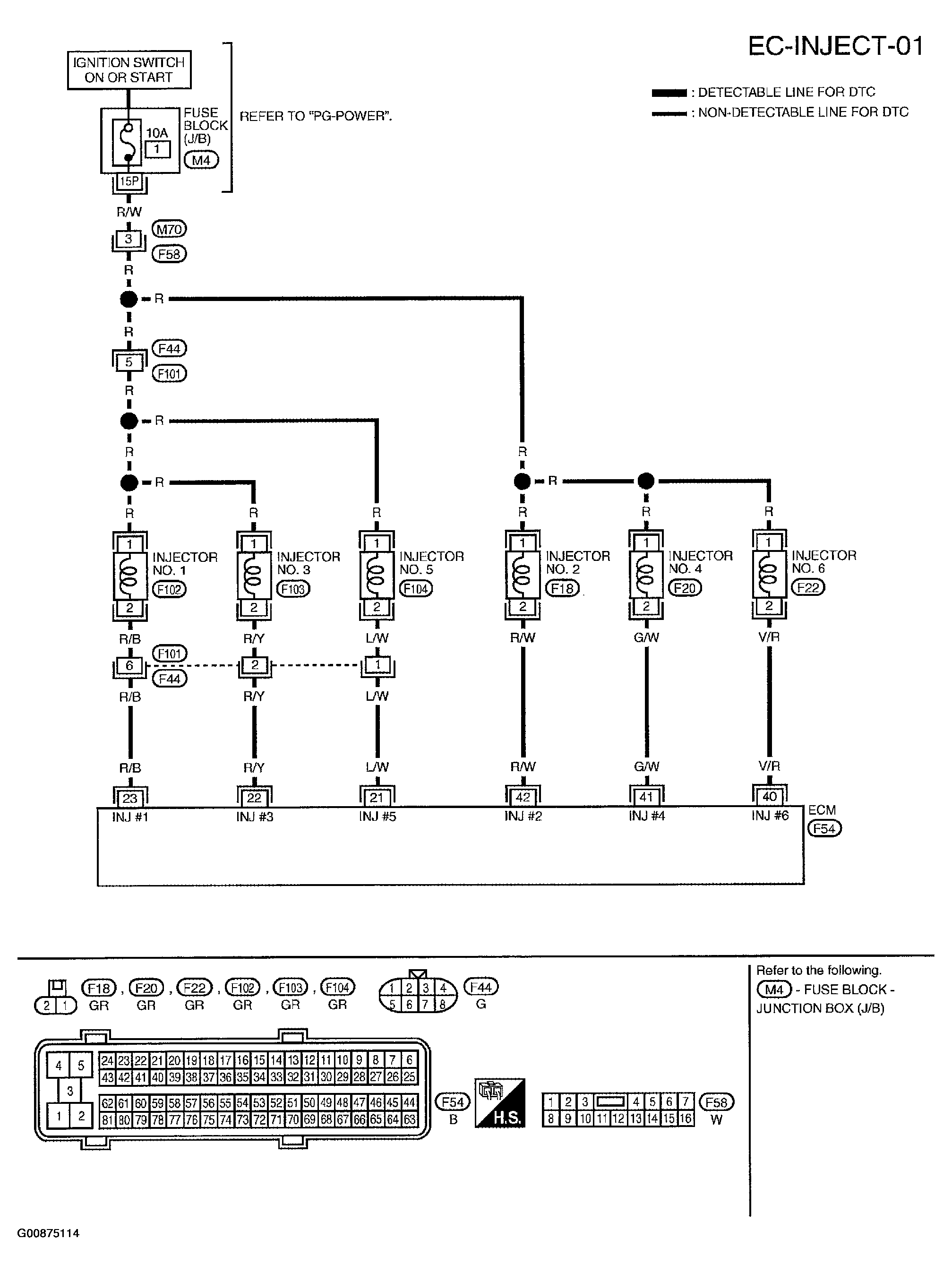
Injector Circuit: Wiring Diagram

WARNING: This page is about a different car, the 2004 Nissan Maxima. However, it is still accessible from the selected car via links, so may be relevant.

For system wiring diagrams, see SYSTEM WIRING DIAGRAMS .

Fig 1: Wiring Diagram
G00875114Courtesy of NISSAN MOTOR CO., U.S.A.

Specification data are reference values and are measured between each terminal and ground.

CAUTION: Do not use ECM ground terminals when measuring input/output voltage. Doing so may result in damage to the ECM's transistor. Use a ground other than ECM terminals, such as the ground.
Fig 2: Specification Data And Reference Values
G00875115Courtesy of NISSAN MOTOR CO., U.S.A.