LEMON Manuals: Even more car manuals for everyone
Home >> Lexus >> 2007 >> LS 460L >> Repair and Diagnosis >> External Pages >> Different car >> Section 740 (Engine Control System - Component Testing) >> Mil And Data Link Connector >> Wiring Diagram

Mil And Data Link Connector: Wiring Diagram

WARNING: This page is about a different car, the 2007 Nissan Maxima. However, it is still accessible from the selected car via links, so may be relevant.

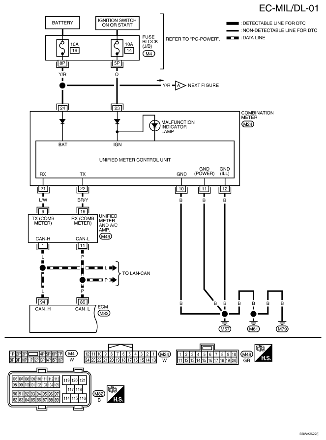
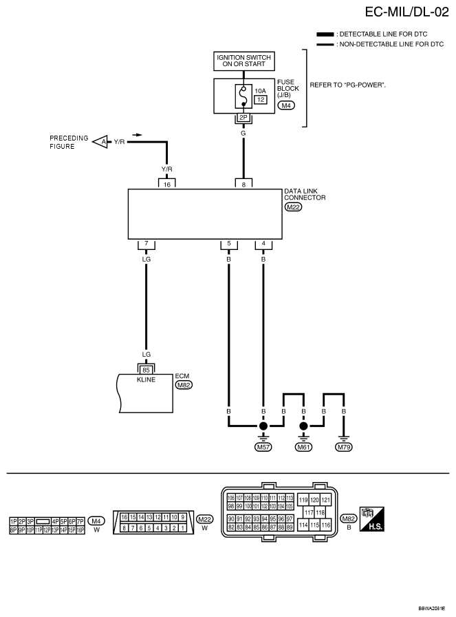
For PG-POWER, refer to POWER SUPPLY, GROUND & CIRCUIT ELEMENTS .

Fig 1: EC-MIL/DL-01 - Wiring Diagram
G04915910Courtesy of NISSAN MOTOR CO., U.S.A.
Fig 2: EC-MIL/DL-02 - Wiring Diagram
G04915911Courtesy of NISSAN MOTOR CO., U.S.A.