LEMON Manuals: Even more car manuals for everyone
Home >> Lexus >> 2007 >> LS 460L >> Repair and Diagnosis >> External Pages >> Different car >> Section 728 (Engine Control System - System And Component Testing) >> Mil And Data Link Connector >> Wiring Diagram

Mil And Data Link Connector: Wiring Diagram

WARNING: This page is about a different car, the 2006 Nissan Pathfinder. However, it is still accessible from the selected car via links, so may be relevant.
Fig 1: MIL And Data Link Connector Wiring Diagram (EC-MIL-01) (1 Of 2)
G04173853Courtesy of NISSAN MOTOR CO., U.S.A.
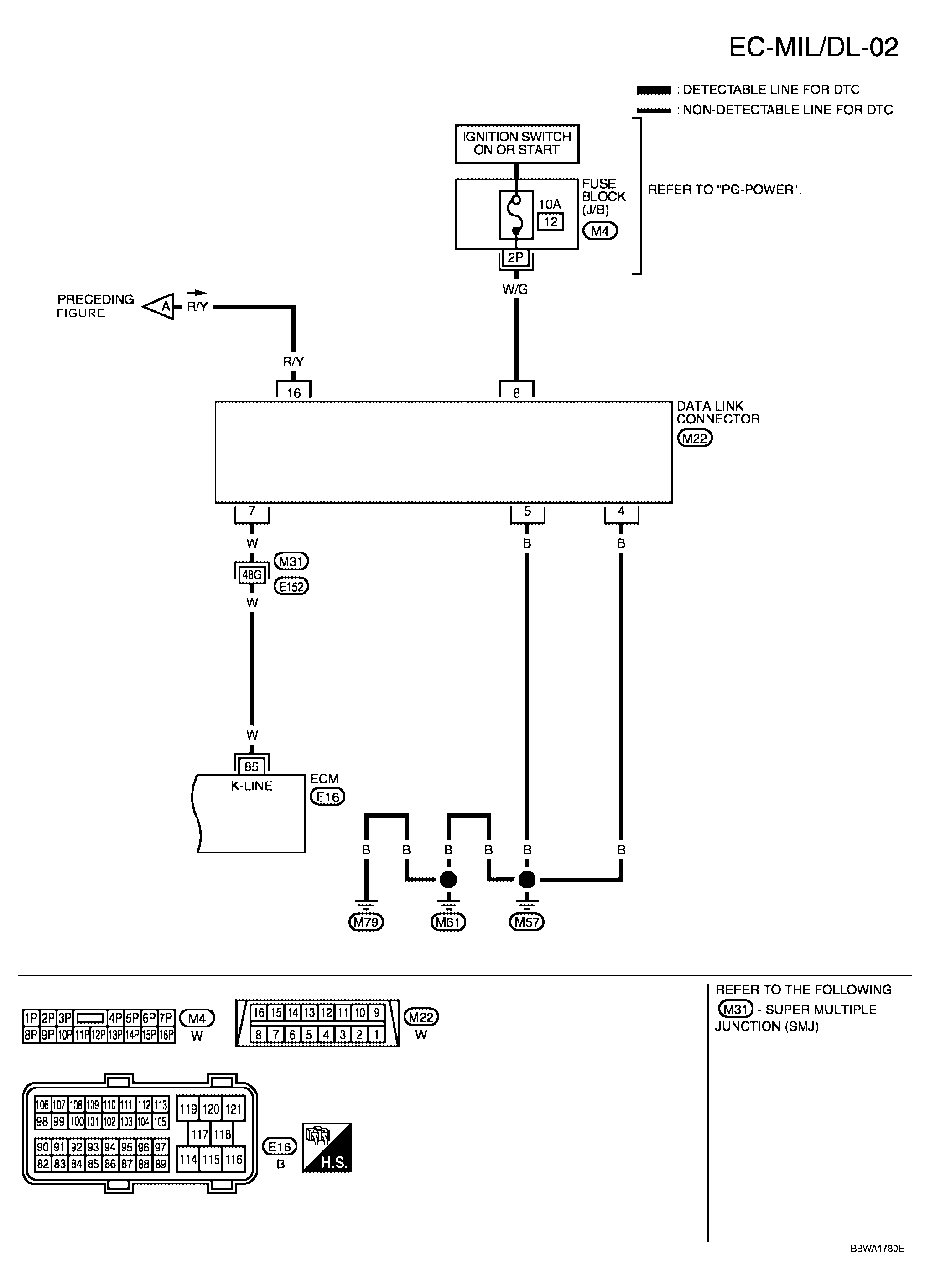
Fig 2: MIL And Data Link Connector Wiring Diagram (EC-MIL-02) (2 Of 2)
G04173854Courtesy of NISSAN MOTOR CO., U.S.A.