LEMON Manuals: Even more car manuals for everyone
Home >> Lexus >> 2007 >> LS 460L >> Repair and Diagnosis >> External Pages >> Different car >> Section 640 (Security Control System) >> Ecu Diagnosis >> BCM (Body Control Module) >> Wiring Diagram - NVIS -

Wiring Diagram - NVIS -

WARNING: This page is about a different car, the 2009 Nissan Maxima. However, it is still accessible from the selected car via links, so may be relevant.
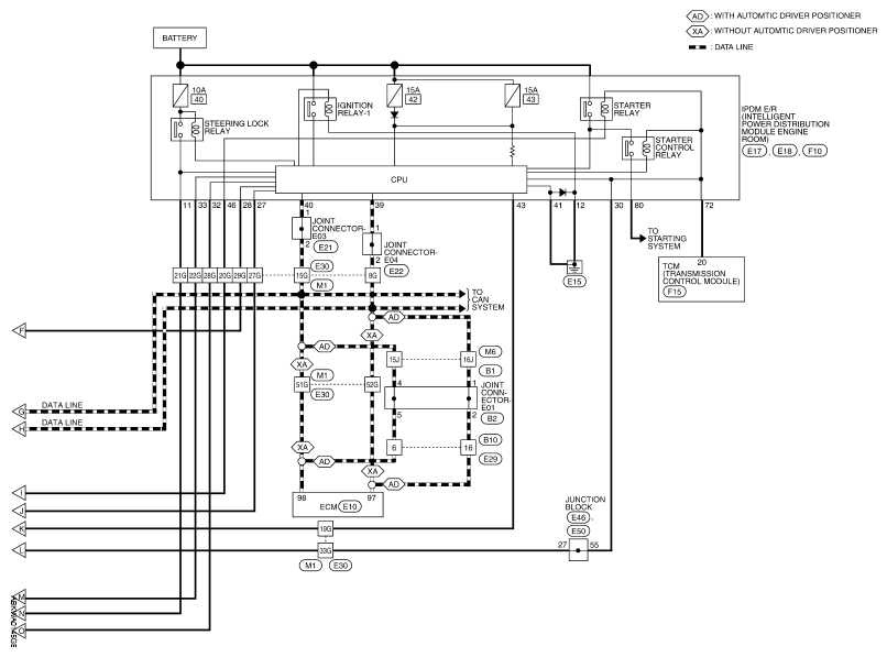
Fig 1: NVIS - Wiring Diagram (1 Of 11)
G05876525Courtesy of NISSAN MOTOR CO., U.S.A.
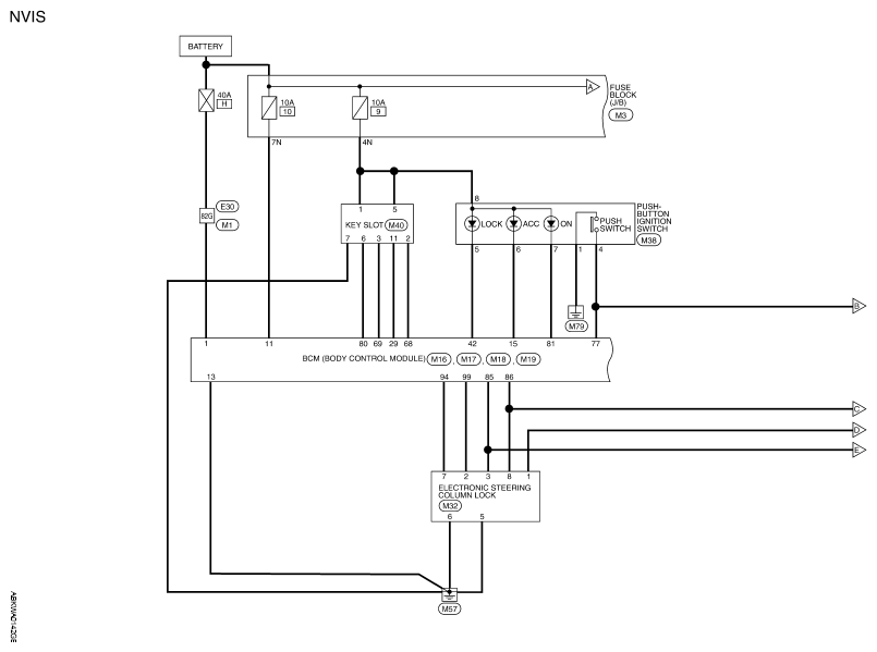
Fig 2: NVIS - Wiring Diagram (2 Of 11)
G05876526Courtesy of NISSAN MOTOR CO., U.S.A.
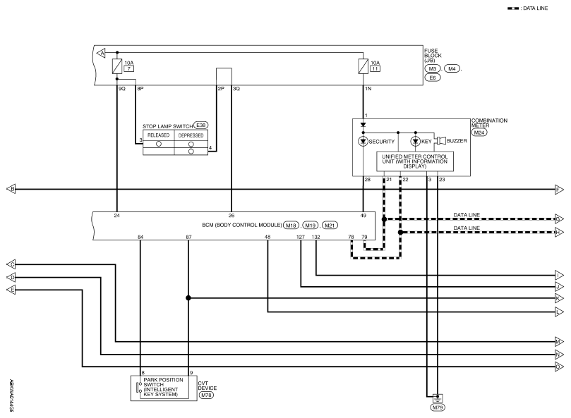
Fig 3: NVIS - Wiring Diagram (3 Of 11)
G05876527Courtesy of NISSAN MOTOR CO., U.S.A.
Fig 4: NVIS - Wiring Diagram (4 Of 11)
G05876528Courtesy of NISSAN MOTOR CO., U.S.A.
Fig 5: NVIS - Wiring Diagram (5 Of 11)
G05876529Courtesy of NISSAN MOTOR CO., U.S.A.
Fig 6: NVIS - Wiring Diagram (6 Of 11)
G05876530Courtesy of NISSAN MOTOR CO., U.S.A.
Fig 7: NVIS - Wiring Diagram (7 Of 11)
G05876531Courtesy of NISSAN MOTOR CO., U.S.A.
Fig 8: NVIS - Wiring Diagram (8 Of 11)
G05876532Courtesy of NISSAN MOTOR CO., U.S.A.
Fig 9: NVIS - Wiring Diagram (9 Of 11)
G05876533Courtesy of NISSAN MOTOR CO., U.S.A.
Fig 10: NVIS - Wiring Diagram (10 Of 11)
G05876534Courtesy of NISSAN MOTOR CO., U.S.A.
Fig 11: NVIS - Wiring Diagram (11 Of 11)
G05876535Courtesy of NISSAN MOTOR CO., U.S.A.