LEMON Manuals: Even more car manuals for everyone
Home >> Lexus >> 2007 >> LS 460L >> Repair and Diagnosis >> External Pages >> Different car >> Section 640 (Security Control System) >> Ecu Diagnosis >> BCM (Body Control Module) >> Wiring Diagram - INTELLIGENT KEY SYSTEM/ENGINE START FUNCTION -

Wiring Diagram - INTELLIGENT KEY SYSTEM/ENGINE START FUNCTION -

WARNING: This page is about a different car, the 2009 Nissan Maxima. However, it is still accessible from the selected car via links, so may be relevant.
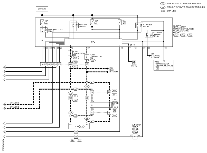
Fig 1: Intelligent Key System/Engine Start Function - Wiring Diagram (1 Of 14)
G05876511Courtesy of NISSAN MOTOR CO., U.S.A.
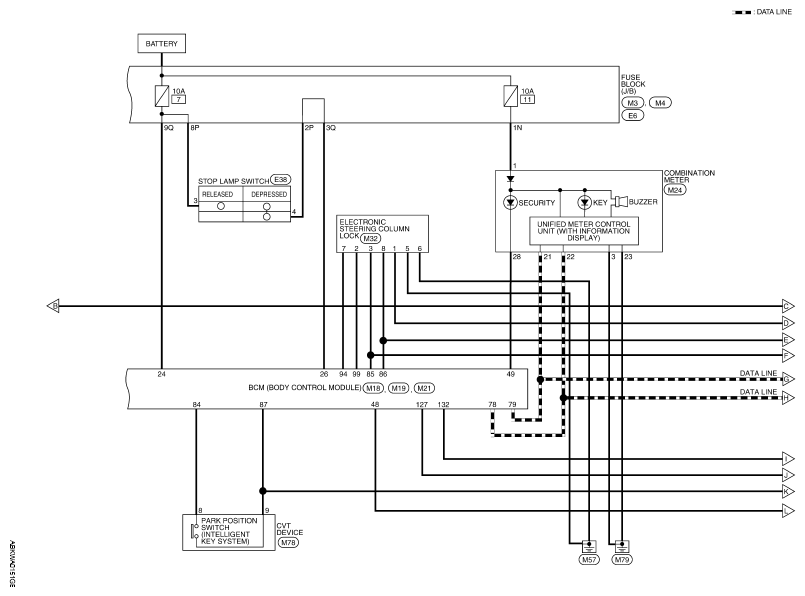
Fig 2: Intelligent Key System/Engine Start Function - Wiring Diagram (2 Of 14)
G05876512Courtesy of NISSAN MOTOR CO., U.S.A.
Fig 3: Intelligent Key System/Engine Start Function - Wiring Diagram (3 Of 14)
G05876513Courtesy of NISSAN MOTOR CO., U.S.A.
Fig 4: Intelligent Key System/Engine Start Function - Wiring Diagram (4 Of 14)
G05876514Courtesy of NISSAN MOTOR CO., U.S.A.
Fig 5: Intelligent Key System/Engine Start Function - Wiring Diagram (5 Of 14)
G05876515Courtesy of NISSAN MOTOR CO., U.S.A.
Fig 6: Intelligent Key System/Engine Start Function - Wiring Diagram (6 Of 14)
G05876516Courtesy of NISSAN MOTOR CO., U.S.A.
Fig 7: Intelligent Key System/Engine Start Function - Wiring Diagram (7 Of 14)
G05876517Courtesy of NISSAN MOTOR CO., U.S.A.
Fig 8: Intelligent Key System/Engine Start Function - Wiring Diagram (8 Of 14)
G05876518Courtesy of NISSAN MOTOR CO., U.S.A.
Fig 9: Intelligent Key System/Engine Start Function - Wiring Diagram (9 Of 14)
G05876519Courtesy of NISSAN MOTOR CO., U.S.A.
Fig 10: Intelligent Key System/Engine Start Function - Wiring Diagram (10 Of 14)
G05876520Courtesy of NISSAN MOTOR CO., U.S.A.
Fig 11: Intelligent Key System/Engine Start Function - Wiring Diagram (11 Of 14)
G05876521Courtesy of NISSAN MOTOR CO., U.S.A.
Fig 12: Intelligent Key System/Engine Start Function - Wiring Diagram (12 Of 14)
G05876522Courtesy of NISSAN MOTOR CO., U.S.A.
Fig 13: Intelligent Key System/Engine Start Function - Wiring Diagram (13 Of 14)
G05876523Courtesy of NISSAN MOTOR CO., U.S.A.
Fig 14: Intelligent Key System/Engine Start Function - Wiring Diagram (14 Of 14)
G05876524Courtesy of NISSAN MOTOR CO., U.S.A.