LEMON Manuals: Even more car manuals for everyone
Home >> Lexus >> 2007 >> LS 460L >> Repair and Diagnosis >> External Pages >> Different car >> Section 629 (Power Control System) >> Power Distribution System >> Ecu Diagnosis >> BCM (Body Control Module) >> Wiring Diagram

BCM (Body Control Module): Wiring Diagram

WARNING: This page is about a different car, the 2009 Nissan Maxima. However, it is still accessible from the selected car via links, so may be relevant.
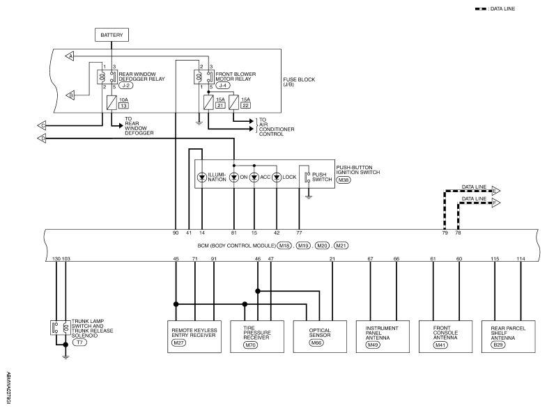
Fig 1: BCM - Wiring Diagram (1 Of 6)
G05911507Courtesy of NISSAN MOTOR CO., U.S.A.
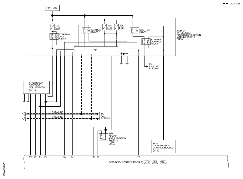
Fig 2: BCM - Wiring Diagram (2 Of 6)
G05911508Courtesy of NISSAN MOTOR CO., U.S.A.
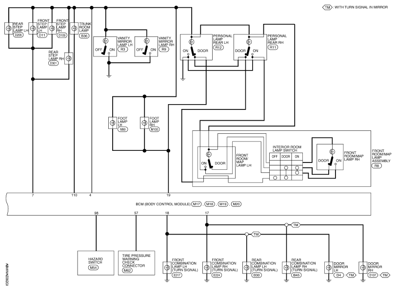
Fig 3: BCM - Wiring Diagram (3 Of 6)
G05911509Courtesy of NISSAN MOTOR CO., U.S.A.
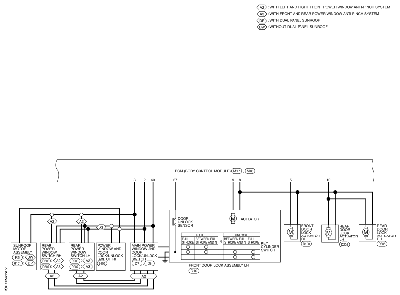
Fig 4: BCM - Wiring Diagram (4 Of 6)
G05911510Courtesy of NISSAN MOTOR CO., U.S.A.
Fig 5: BCM - Wiring Diagram (5 Of 6)
G05911511Courtesy of NISSAN MOTOR CO., U.S.A.
Fig 6: BCM - Wiring Diagram (6 Of 6)
G05911512Courtesy of NISSAN MOTOR CO., U.S.A.
Fig 7: Body Control Module Connectors (1 Of 3)
G05911513Courtesy of NISSAN MOTOR CO., U.S.A.
Fig 8: Body Control Module Connectors (2 Of 3)
G05911514Courtesy of NISSAN MOTOR CO., U.S.A.
Fig 9: Body Control Module Connectors (3 Of 3)
G05911515Courtesy of NISSAN MOTOR CO., U.S.A.