LEMON Manuals: Even more car manuals for everyone
Home >> Lexus >> 2007 >> LS 460L >> Repair and Diagnosis >> External Pages >> Different car >> Section 629 (Power Control System) >> Power Distribution System >> Component Diagnosis >> Push-Button Ignition Switch Position Indicator >> Diagnosis Procedure

Diagnosis Procedure

WARNING: This page is about a different car, the 2009 Nissan Maxima. However, it is still accessible from the selected car via links, so may be relevant.
  1. CHECK PUSH-BUTTON IGNITION SWITCH INPUT SIGNAL
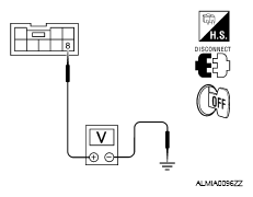
    1. Turn ignition switch OFF.
    2. Disconnect push-button ignition switch.
    3. Check voltage between push-button ignition switch harness connector and ground.
    VOLTAGE SPECIFICATION

    Terminals Voltage (V)
    (+) (-)
    Push-button ignition switch Ground
    Connector Terminal
    M38 8 Battery voltage
    Fig 1: Checking Voltage Between Push-Button Ignition Switch Harness Connector And Ground
    G05047405Courtesy of NISSAN MOTOR CO., U.S.A.

    Is the inspection result normal? 

    YES: GO TO 2

    NO: Check the following.

    • 10A fuse [No. 9, located in fuse block (J/B)]
    • Harness for open or short between push-button ignition switch and fuse.
  2. CHECK PUSH-BUTTON IGNITION SWITCH CIRCUIT
    1. Disconnect BCM and push-button ignition switch.
    2. Check continuity between BCM harness connector and pushbutton ignition switch harness connector.
      CONTINUITY SPECIFICATION

      Indicator BCM Connector Terminal Push-button ignition switch connector Terminal Continuity
      LOCK M18 (A) 42 M38 (D) 5 Yes
      ACC M17 (B) 15 6
      ON M19 (C) 81 7
      Fig 2: Checking Continuity Between BCM Harness Connector And Pushbutton Ignition Switch Harness Connector
      G05047406Courtesy of NISSAN MOTOR CO., U.S.A.
    3. Check continuity between BCM harness connector and ground.
    CONTINUITY SPECIFICATION

    Indicator BCM connector Terminal Ground Continuity
    LOCK M18 (A) 42 No
    ACC M17 (B) 15
    ON M19 (C) 81
    Fig 3: Checking Continuity Between BCM Harness Connector And Ground
    G05047407Courtesy of NISSAN MOTOR CO., U.S.A.

    Is the inspection result normal? 

    YES: GO TO 3

    NO: Repair or replace harness.

  3. CHECK PUSH-BUTTON IGNITION SWITCH

    Refer to "COMPONENT INSPECTION ".

    Is the inspection result normal? 

    YES: GO TO 4

    NO: Replace push-button ignition switch. Refer to "REMOVAL AND INSTALLATION ".

  4. CHECK INTERMITTENT INCIDENT

Refer to "INTERMITTENT INCIDENT ".

Inspection End.