LEMON Manuals: Even more car manuals for everyone
Home >> Lexus >> 2007 >> LS 460L >> Repair and Diagnosis >> External Pages >> Different car >> Section 55 (Engine Controls - System & Component Testing) >> Injector Circuit >> Wiring Diagram

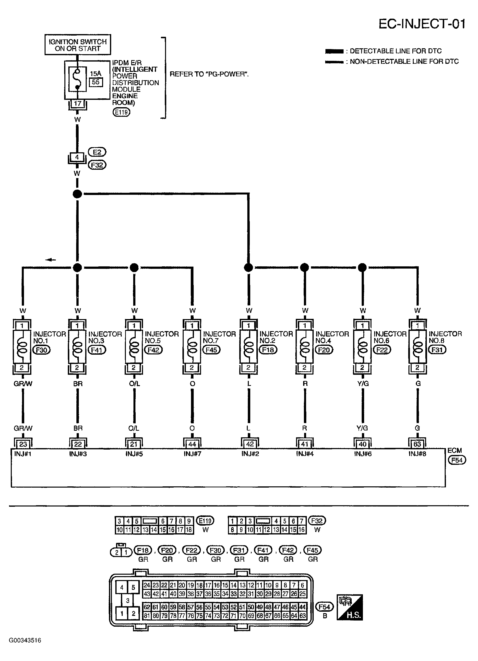
Injector Circuit: Wiring Diagram

WARNING: This page is about a different car, the 2004 Nissan Titan. However, it is still accessible from the selected car via links, so may be relevant.

For complete wiring diagrams, see SYSTEM WIRING DIAGRAMS article.

Fig 1: Fuel Injector Circuit Diagram - EC-INJECT-01
G00343516Courtesy of NISSAN MOTOR CO., U.S.A.

Specification data are reference values and are measured between each terminal and ground.

Pulse signal is measured by CONSULT-II.

CAUTION: Do not use ECM ground terminals when measuring input/output voltage. Doing so may result in damage to the ECM's transistor. Use a ground other than ECM terminals, such as the ground.
Fig 2: Specification Data
G00343517Courtesy of NISSAN MOTOR CO., U.S.A.