LEMON Manuals: Even more car manuals for everyone
Home >> Lexus >> 2007 >> LS 460L >> Repair and Diagnosis >> External Pages >> Different car >> Section 236 (Engine Control System) >> DTC P0171, P0174: Fuel Injection System Function >> Wiring Diagram >> Bank 2

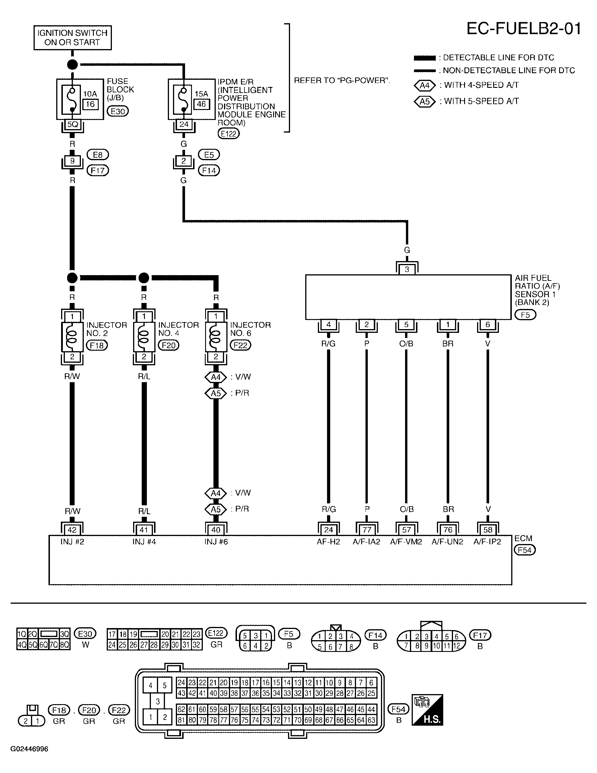
Bank 2

WARNING: This page is about a different car, the 2005 Nissan Quest. However, it is still accessible from the selected car via links, so may be relevant.
Fig 1: Wiring Diagram - Fuel Injection System - Bank 2 - EC-FUELB2-01
G02446996Courtesy of NISSAN MOTOR CO., U.S.A.