LEMON Manuals: Even more car manuals for everyone
Home >> Lexus >> 2007 >> LS 460L >> Repair and Diagnosis >> External Pages >> Different car >> Section 217 (Navigation System) >> Navigation System >> Wiring Diagram --- AV-COMM

Wiring Diagram --- AV-COMM

WARNING: This page is about a different car, the 2004 Nissan Titan. However, it is still accessible from the selected car via links, so may be relevant.
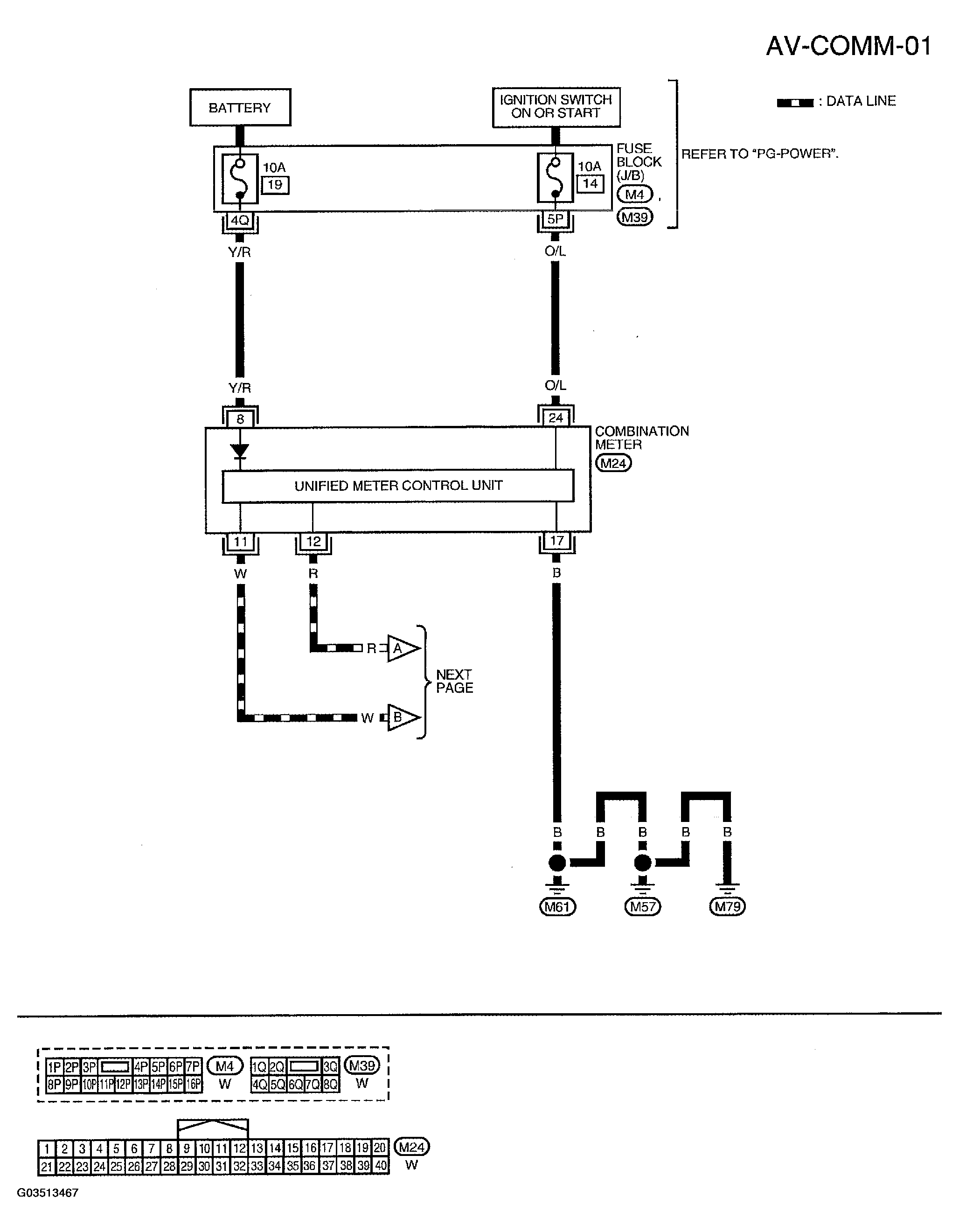
Fig 1: Wiring Diagram - Audio Communication (1 Of 3) - AV-COMM-01
G03513467Courtesy of NISSAN MOTOR CO., U.S.A.
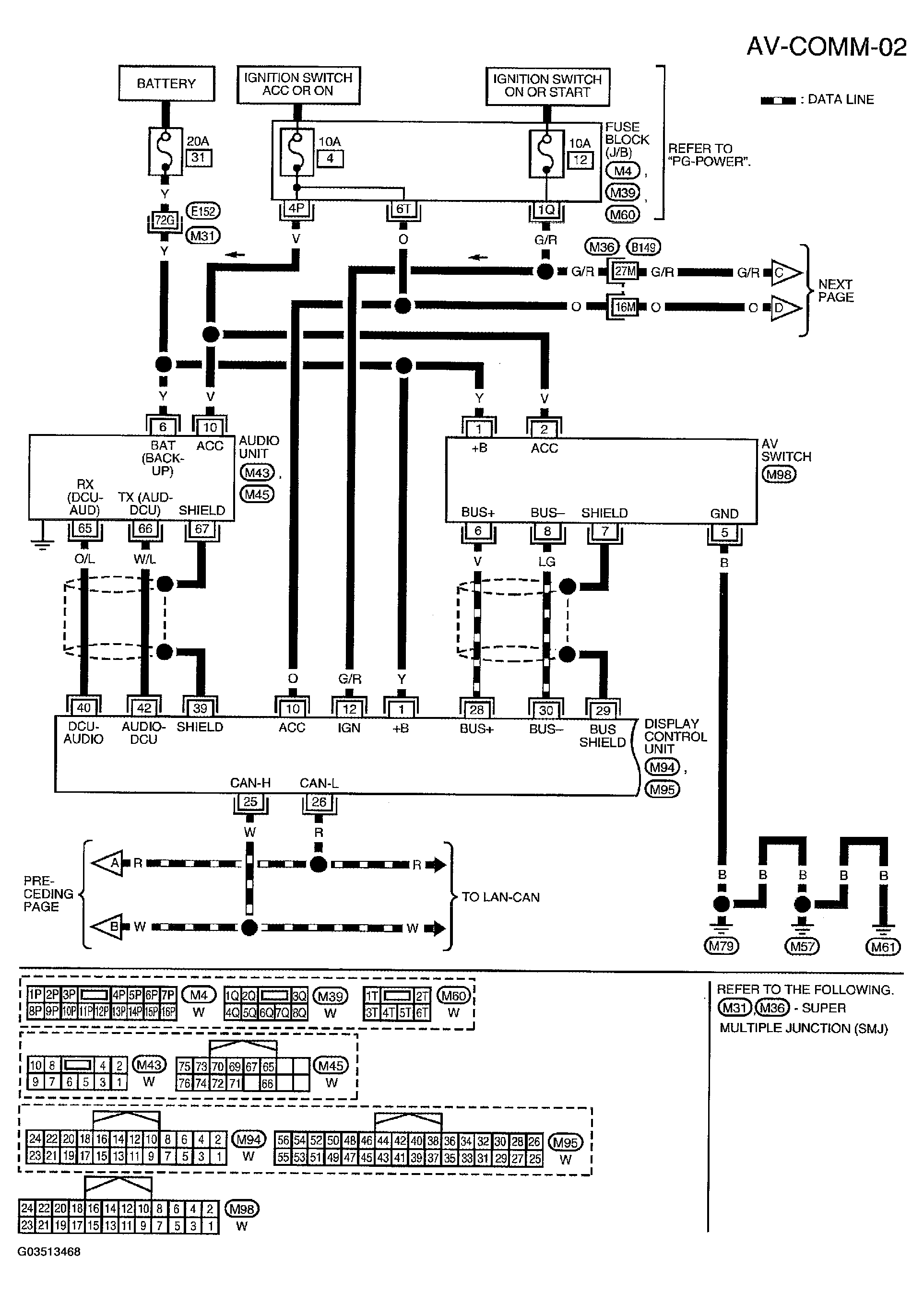
Fig 2: Wiring Diagram - Audio Communication (2 Of 3) - AV-COMM-02
G03513468Courtesy of NISSAN MOTOR CO., U.S.A.
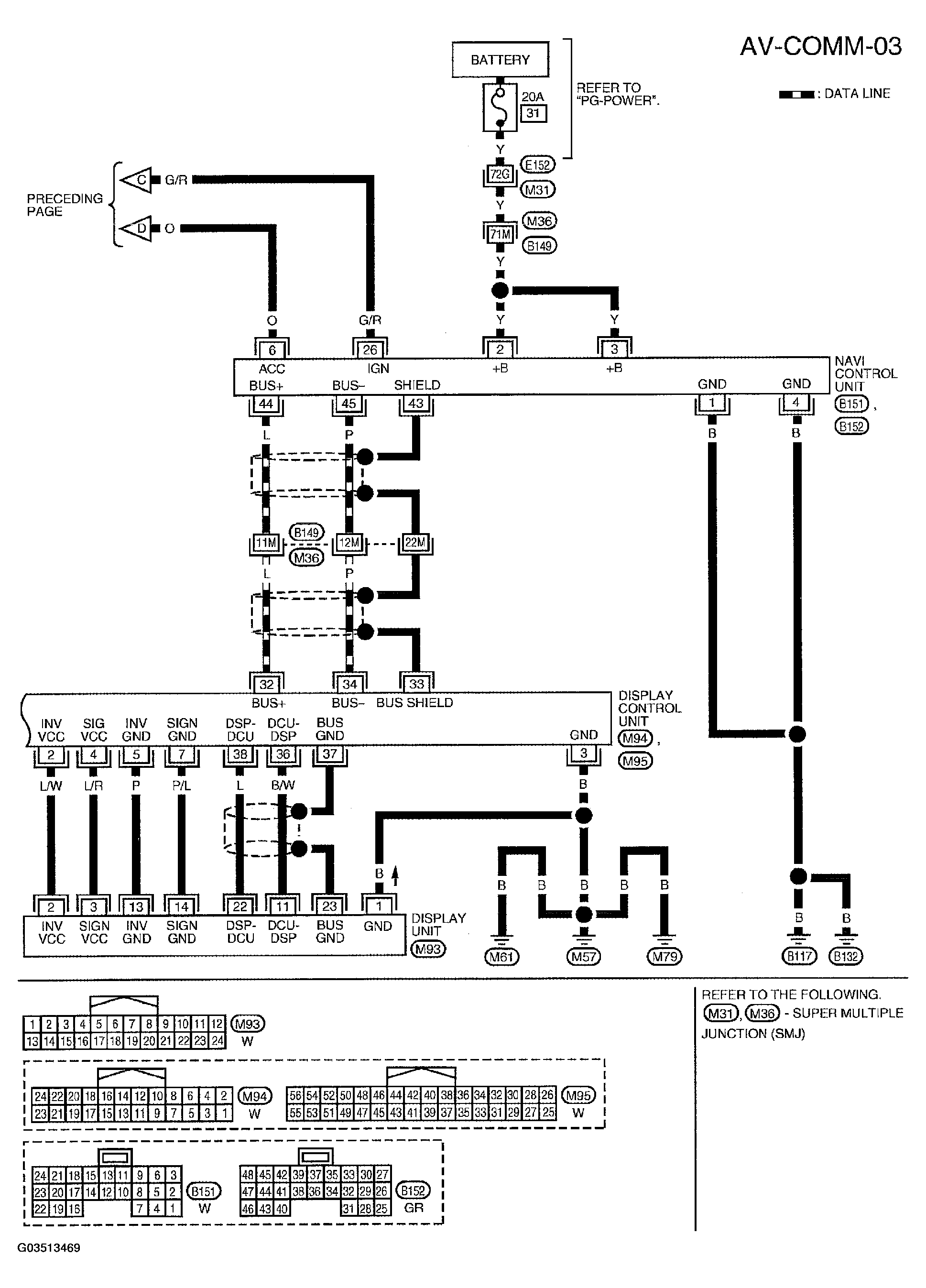
Fig 3: Wiring Diagram - Audio Communication (3 Of 3) - AV-COMM-03
G03513469Courtesy of NISSAN MOTOR CO., U.S.A.