LEMON Manuals: Even more car manuals for everyone
Home >> Lexus >> 2007 >> LS 460L >> Repair and Diagnosis >> External Pages >> Different car >> Section 138 (BCM (Body Control Module)) >> BCM (Body Control Module) >> Schematic

BCM (Body Control Module): Schematic

WARNING: This page is about a different car, the 2004 Nissan Quest. However, it is still accessible from the selected car via links, so may be relevant.
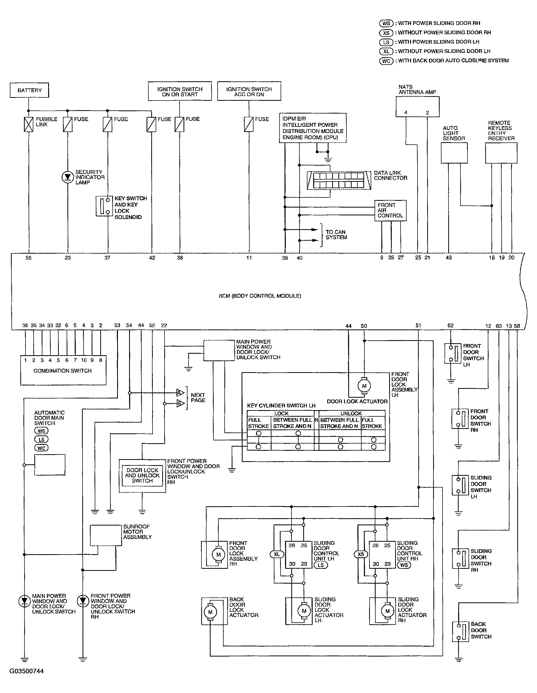
Fig 1: Identifying Schematic (1 Of 2)
G03500744Courtesy of NISSAN MOTOR CO., U.S.A.
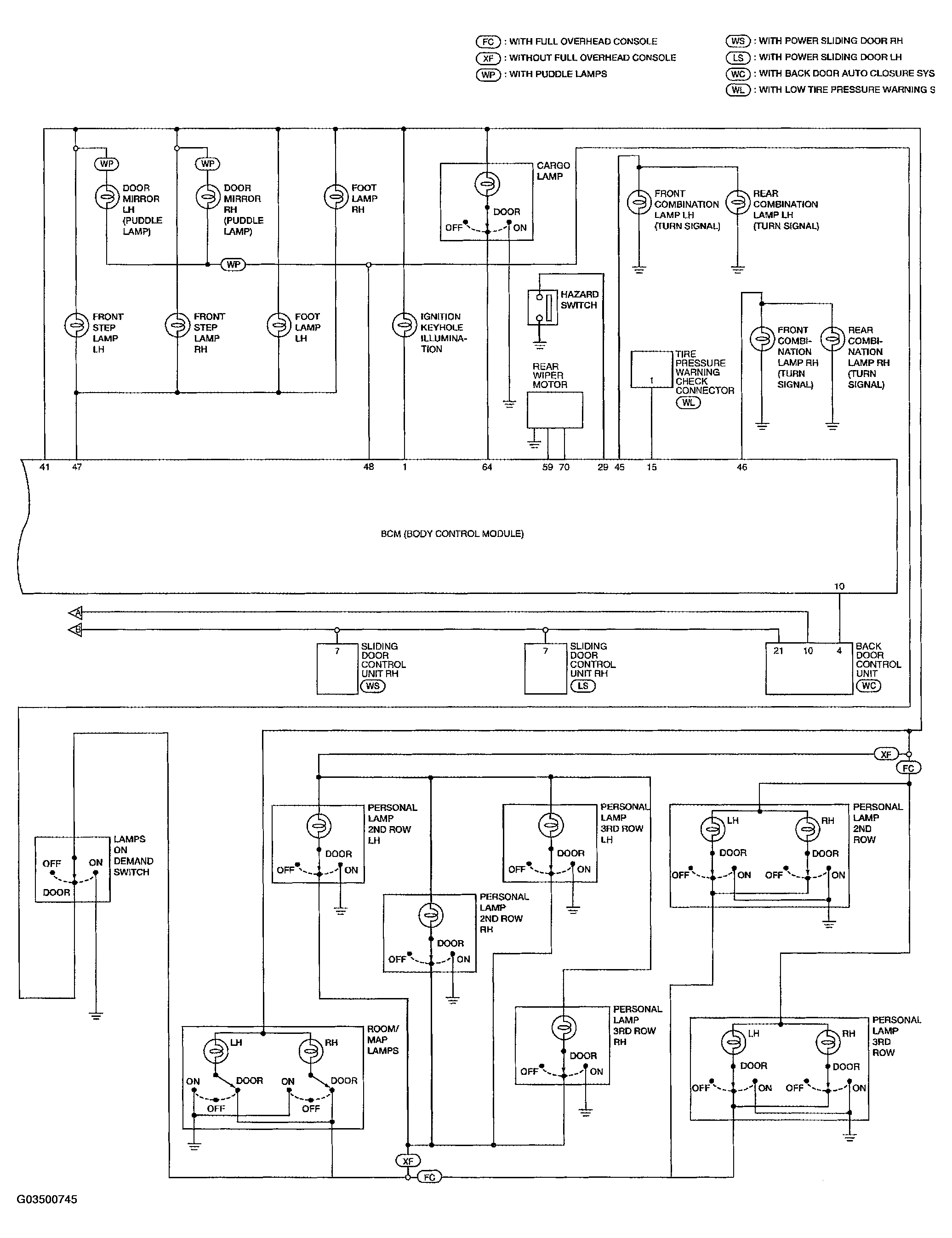
Fig 2: Identifying Schematic (2 Of 2)
G03500745Courtesy of NISSAN MOTOR CO., U.S.A.