LEMON Manuals: Even more car manuals for everyone
Home >> Lexus >> 2007 >> LS 460L >> Repair and Diagnosis >> Engine Performance >> System >> Engine Control System - Diagnostics - Introduction >> SFI System >> System Diagram

System Diagram

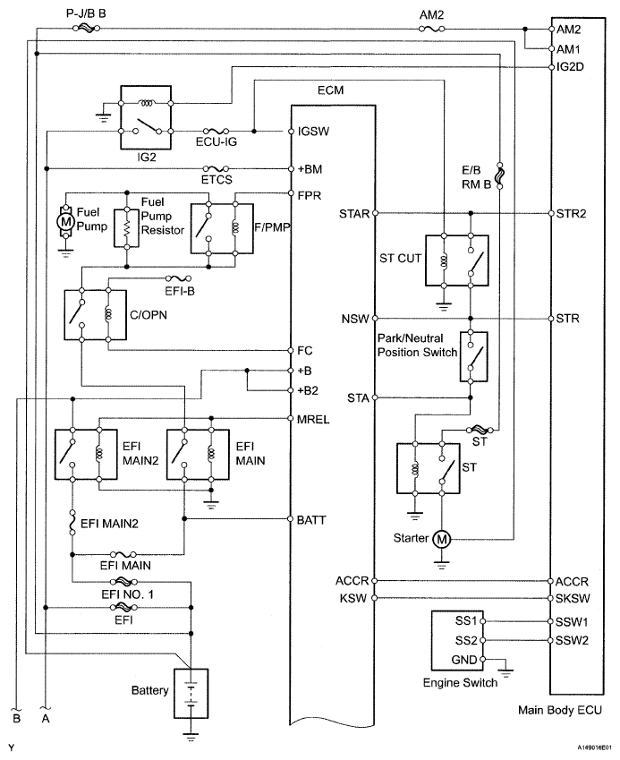
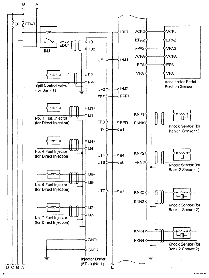
Fig 1: Engine Control - System Diagram (1 Of 7)
G04942619Courtesy of © TOYOTA, LICENSE AGREEMENT TMS1002
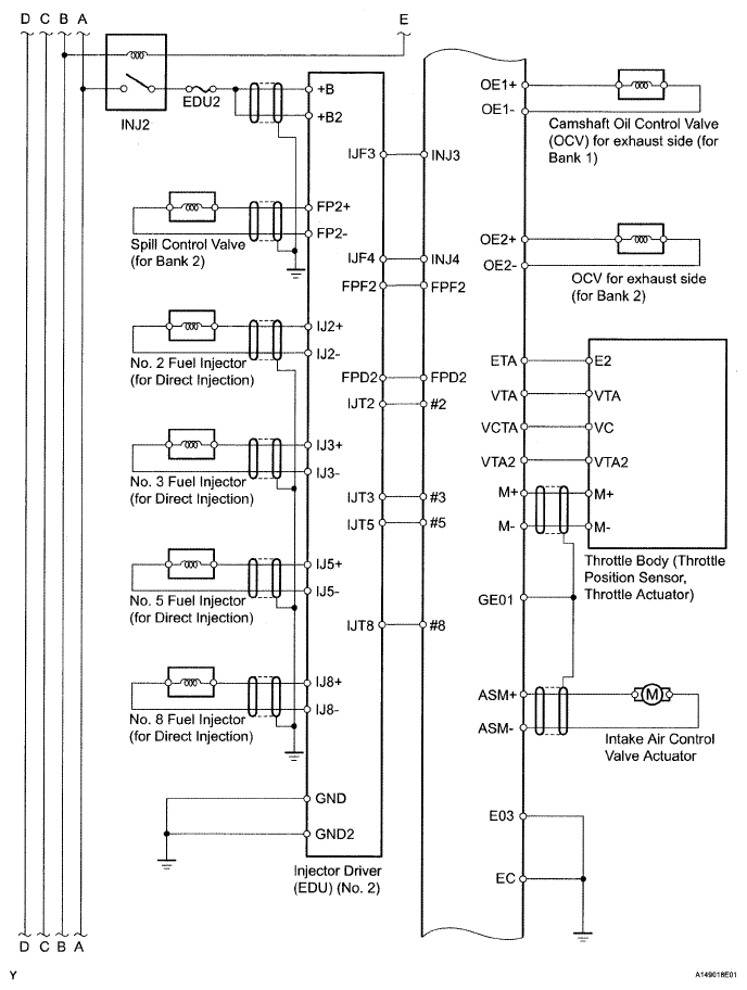
Fig 2: Engine Control - System Diagram (2 Of 7)
G04942620Courtesy of © TOYOTA, LICENSE AGREEMENT TMS1002
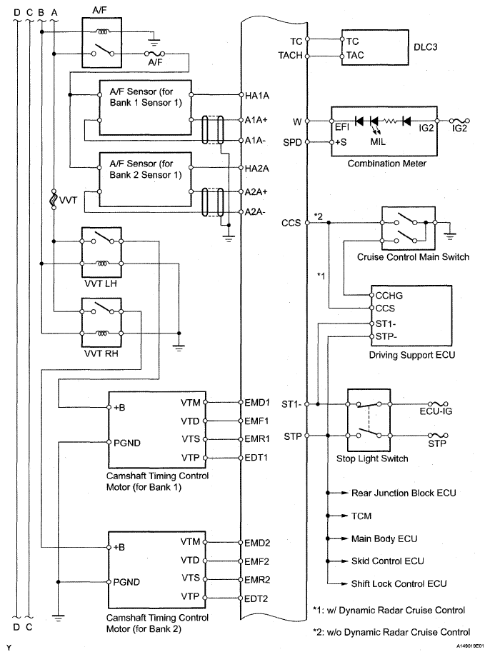
Fig 3: Engine Control - System Diagram (3 Of 7)
G04942621Courtesy of © TOYOTA, LICENSE AGREEMENT TMS1002
Fig 4: Engine Control - System Diagram (4 Of 7)
G04942622Courtesy of © TOYOTA, LICENSE AGREEMENT TMS1002
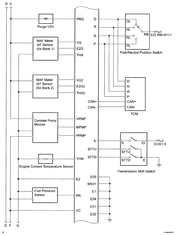
Fig 5: Engine Control - System Diagram (5 Of 7)
G04942623Courtesy of © TOYOTA, LICENSE AGREEMENT TMS1002
Fig 6: Engine Control - System Diagram (6 Of 7)
G04942624Courtesy of © TOYOTA, LICENSE AGREEMENT TMS1002
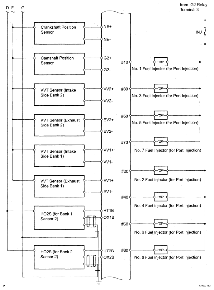
Fig 7: Engine Control - System Diagram (7 Of 7)
G04942625Courtesy of © TOYOTA, LICENSE AGREEMENT TMS1002