LEMON Manuals: Even more car manuals for everyone
Home >> Lexus >> 2007 >> LS 460L >> Repair and Diagnosis >> Engine Performance >> Fuel Delivery >> Fuel >> Fuel System >> System Diagram

System Diagram

  1. FUEL FLOW DIAGRAM 
    Fig 1: Fuel Flow Diagram (For Direct Injection Side)
    G04947850Courtesy of © TOYOTA, LICENSE AGREEMENT TMS1002
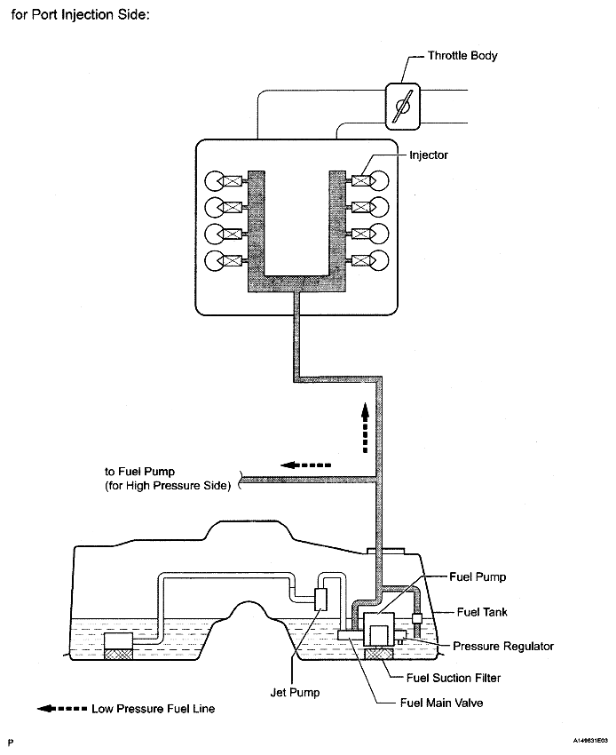
    Fig 2: Fuel Flow Diagram (For Port Injection Side)
    G04947851Courtesy of © TOYOTA, LICENSE AGREEMENT TMS1002
  2. ELECTRICAL CONTROL DIAGRAM 
    Fig 3: Electrical Control Diagram
    G04947852Courtesy of © TOYOTA, LICENSE AGREEMENT TMS1002
  3. HIGH PRESSURE SIDE (DIRECT INJECTION SIDE) FUEL SYSTEM WIRING DIAGRAM 
    Fig 4: High Pressure Side Fuel System Wiring Diagram (1 Of 3)
    G04947853Courtesy of © TOYOTA, LICENSE AGREEMENT TMS1002
    Fig 5: High Pressure Side Fuel System Wiring Diagram (2 Of 3)
    G04947854Courtesy of © TOYOTA, LICENSE AGREEMENT TMS1002
    Fig 6: High Pressure Side Fuel System Wiring Diagram (3 Of 3)
    G04947855Courtesy of © TOYOTA, LICENSE AGREEMENT TMS1002
  4. PORT INJECTION SIDE FUEL SYSTEM WIRING DIAGRAM 
    Fig 7: Port Injection Side Fuel System Wiring Diagram (1 Of 2)
    G04947856Courtesy of © TOYOTA, LICENSE AGREEMENT TMS1002
    Fig 8: Port Injection Side Fuel System Wiring Diagram (2 Of 2)
    G04942857Courtesy of © TOYOTA, LICENSE AGREEMENT TMS1002
  5. FUEL PRESSURE SENSOR WIRING DIAGRAM 
    Fig 9: Fuel Pressure Sensor Wiring Diagram
    G04942749Courtesy of © TOYOTA, LICENSE AGREEMENT TMS1002
  6. LOW PRESSURE SIDE FUEL SYSTEM WIRING DIAGRAM 
    Fig 10: Low Pressure Side Fuel System Wiring Diagram
    G04947859Courtesy of © TOYOTA, LICENSE AGREEMENT TMS1002
  7. INJECTOR DRIVER WIRING DIAGRAM 
    Fig 11: Injector Driver Wiring Diagram
    G04947860Courtesy of © TOYOTA, LICENSE AGREEMENT TMS1002