LEMON Manuals: Even more car manuals for everyone
Home >> Lexus >> 2007 >> LS 460L >> Repair and Diagnosis >> Electrical >> Body Electrical >> OEM System Circuits >> Sliding Roof >> Notes

Sliding Roof: Notes

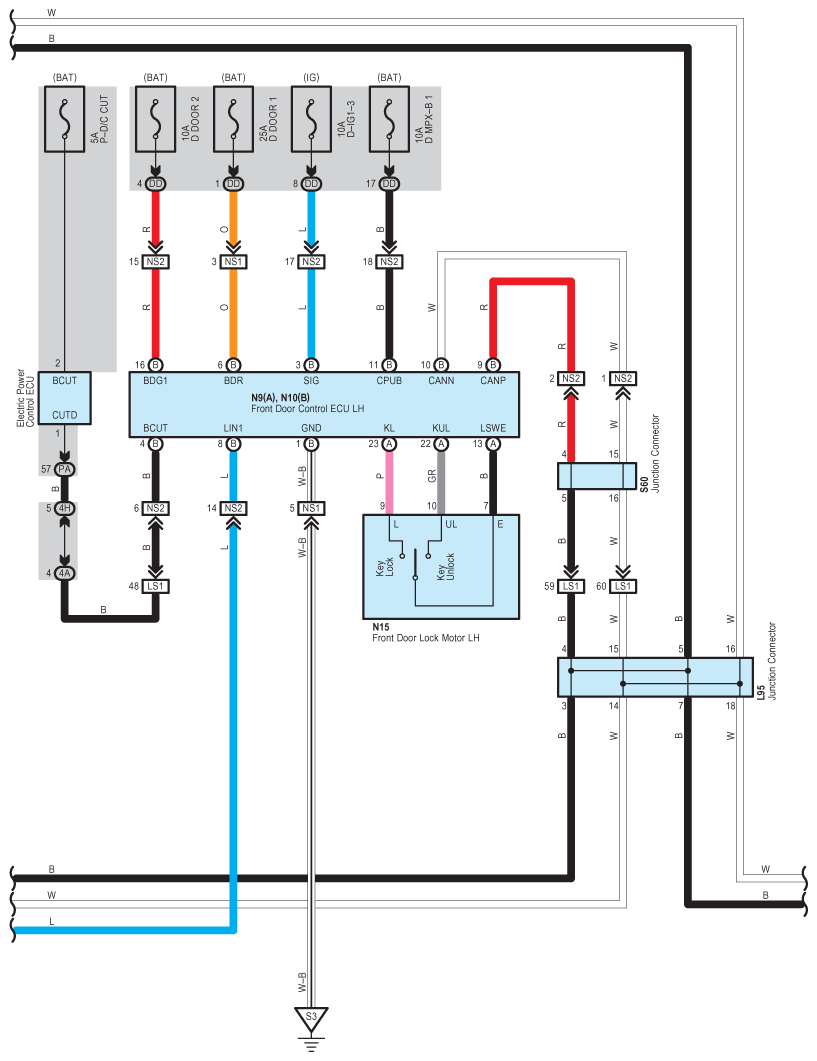
Fig 1: Sliding Roof System Wiring Diagram (1 Of 4)
G08920779Courtesy of © TOYOTA, LICENSE AGREEMENT TMS1002
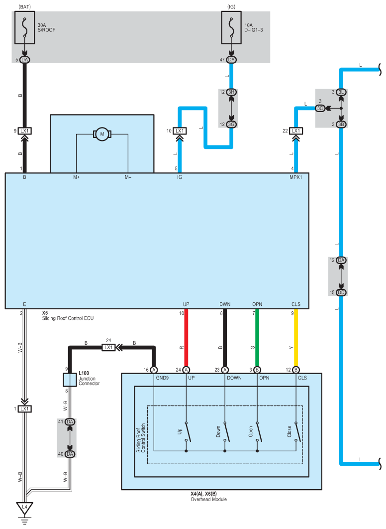
Fig 2: Sliding Roof System Wiring Diagram (2 Of 4)
G08920780Courtesy of © TOYOTA, LICENSE AGREEMENT TMS1002
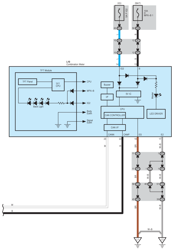
Fig 3: Sliding Roof System Wiring Diagram (3 Of 4)
G08920781Courtesy of © TOYOTA, LICENSE AGREEMENT TMS1002
Fig 4: Sliding Roof System Wiring Diagram (4 Of 4)
G08920782Courtesy of © TOYOTA, LICENSE AGREEMENT TMS1002