LEMON Manuals: Even more car manuals for everyone
Home >> Lexus >> 2007 >> LS 460L >> Repair and Diagnosis >> Electrical >> Body Electrical >> OEM System Circuits >> Navigation, Parking Assist (Rear View Monitor) and Multi-Display >> Notes

Navigation, Parking Assist (Rear View Monitor) and Multi-Display: Notes

Fig 1: Navigation, Parking Assist (Rear View Monitor) And Multi-Display System Wiring Diagram (1 Of 9)
G08920897Courtesy of © TOYOTA, LICENSE AGREEMENT TMS1002
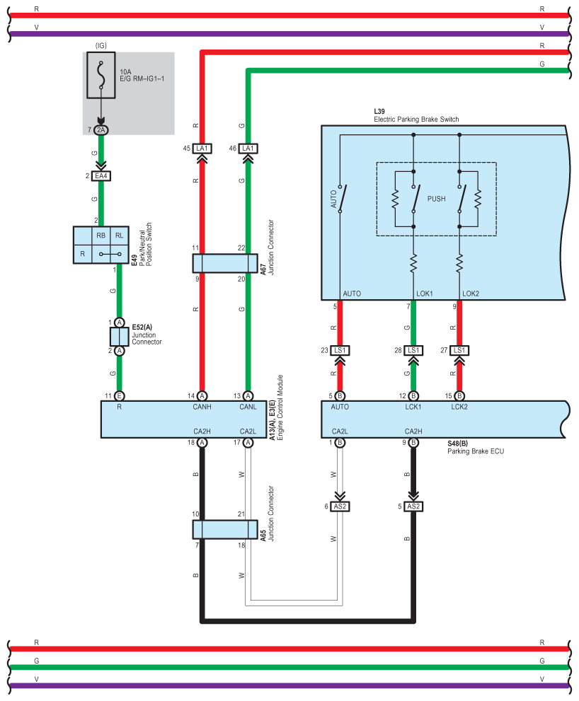
Fig 2: Navigation, Parking Assist (Rear View Monitor) And Multi-Display System Wiring Diagram (2 Of 9)
G08920898Courtesy of © TOYOTA, LICENSE AGREEMENT TMS1002
Fig 3: Navigation, Parking Assist (Rear View Monitor) And Multi-Display System Wiring Diagram (3 Of 9)
G08920899Courtesy of © TOYOTA, LICENSE AGREEMENT TMS1002
Fig 4: Navigation, Parking Assist (Rear View Monitor) And Multi-Display System Wiring Diagram (4 Of 9)
G08920900Courtesy of © TOYOTA, LICENSE AGREEMENT TMS1002
Fig 5: Navigation, Parking Assist (Rear View Monitor) And Multi-Display System Wiring Diagram (5 Of 9)
G08920901Courtesy of © TOYOTA, LICENSE AGREEMENT TMS1002
Fig 6: Navigation, Parking Assist (Rear View Monitor) And Multi-Display System Wiring Diagram (6 Of 9)
G08920902Courtesy of © TOYOTA, LICENSE AGREEMENT TMS1002
Fig 7: Navigation, Parking Assist (Rear View Monitor) And Multi-Display System Wiring Diagram (7 Of 9)
G08920903Courtesy of © TOYOTA, LICENSE AGREEMENT TMS1002
Fig 8: Navigation, Parking Assist (Rear View Monitor) And Multi-Display System Wiring Diagram (8 Of 9)
G08920904Courtesy of © TOYOTA, LICENSE AGREEMENT TMS1002
Fig 9: Navigation, Parking Assist (Rear View Monitor) And Multi-Display System Wiring Diagram (9 Of 9)
G08920905Courtesy of © TOYOTA, LICENSE AGREEMENT TMS1002