LEMON Manuals: Even more car manuals for everyone
Home >> Lexus >> 2007 >> LS 460L >> Repair and Diagnosis >> Electrical >> Body Electrical >> OEM System Circuits >> Front Window Deicer >> Notes

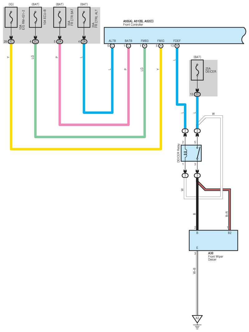
Front Window Deicer: Notes

Fig 1: Front Window Deicer System Wiring Diagram (1 Of 2)
G08920870Courtesy of © TOYOTA, LICENSE AGREEMENT TMS1002
Fig 2: Front Window Deicer System Wiring Diagram (2 Of 2)
G08920871Courtesy of © TOYOTA, LICENSE AGREEMENT TMS1002