LEMON Manuals: Even more car manuals for everyone
Home >> Lexus >> 2007 >> LS 460L >> Repair and Diagnosis >> Electrical >> Body Electrical >> OEM System Circuits >> Advanced Parking Guidance System >> Notes

Advanced Parking Guidance System: Notes

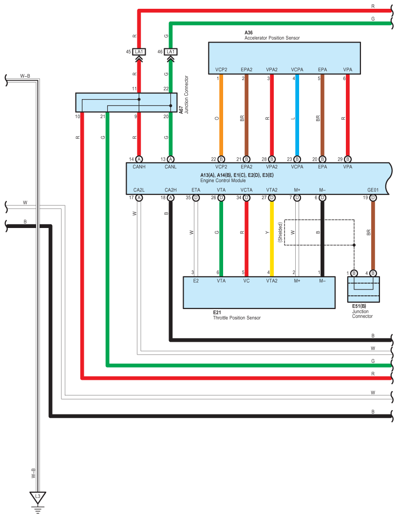
Fig 1: Advanced Parking Guidance System Wiring Diagram (1 Of 10)
G08920873Courtesy of © TOYOTA, LICENSE AGREEMENT TMS1002
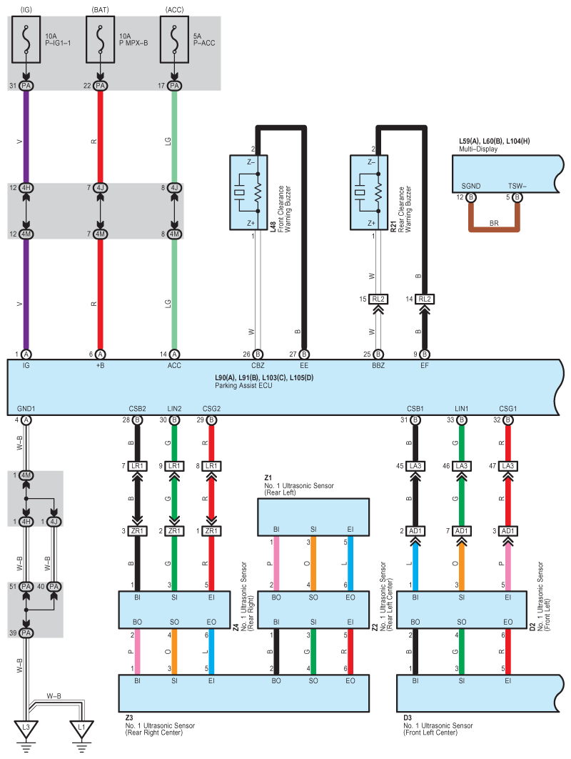
Fig 2: Advanced Parking Guidance System Wiring Diagram (2 Of 10)
G08920874Courtesy of © TOYOTA, LICENSE AGREEMENT TMS1002
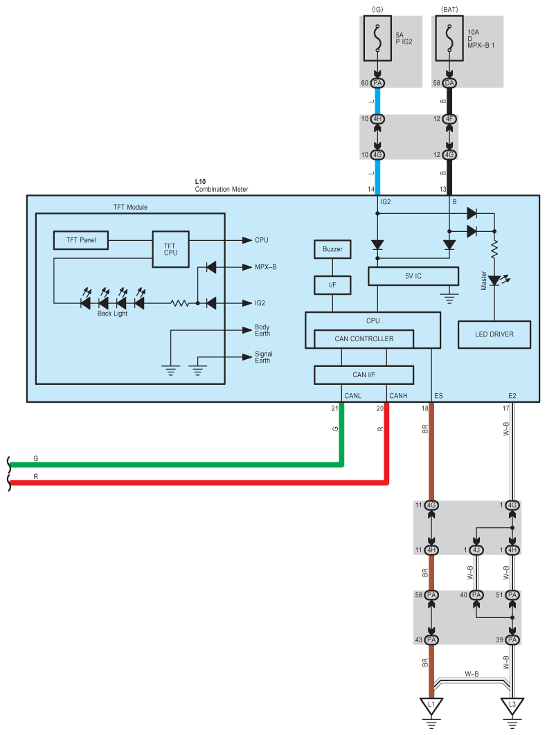
Fig 3: Advanced Parking Guidance System Wiring Diagram (3 Of 10)
G08920875Courtesy of © TOYOTA, LICENSE AGREEMENT TMS1002
Fig 4: Advanced Parking Guidance System Wiring Diagram (4 Of 10)
G08920876Courtesy of © TOYOTA, LICENSE AGREEMENT TMS1002
Fig 5: Advanced Parking Guidance System Wiring Diagram (5 Of 10)
G08920877Courtesy of © TOYOTA, LICENSE AGREEMENT TMS1002
Fig 6: Advanced Parking Guidance System Wiring Diagram (6 Of 10)
G08920878Courtesy of © TOYOTA, LICENSE AGREEMENT TMS1002
Fig 7: Advanced Parking Guidance System Wiring Diagram (7 Of 10)
G08920879Courtesy of © TOYOTA, LICENSE AGREEMENT TMS1002
Fig 8: Advanced Parking Guidance System Wiring Diagram (8 Of 10)
G08920880Courtesy of © TOYOTA, LICENSE AGREEMENT TMS1002
Fig 9: Advanced Parking Guidance System Wiring Diagram (9 Of 10)
G08920881Courtesy of © TOYOTA, LICENSE AGREEMENT TMS1002
Fig 10: Advanced Parking Guidance System Wiring Diagram (10 Of 10)
G08920882Courtesy of © TOYOTA, LICENSE AGREEMENT TMS1002