LEMON Manuals: Even more car manuals for everyone
Home >> Lexus >> 2007 >> LS 460L >> Repair and Diagnosis (Single Page) >> Electrical >> Starter >> Starting >> Smart Access System With Push-Button Start >> System Diagram

System Diagram

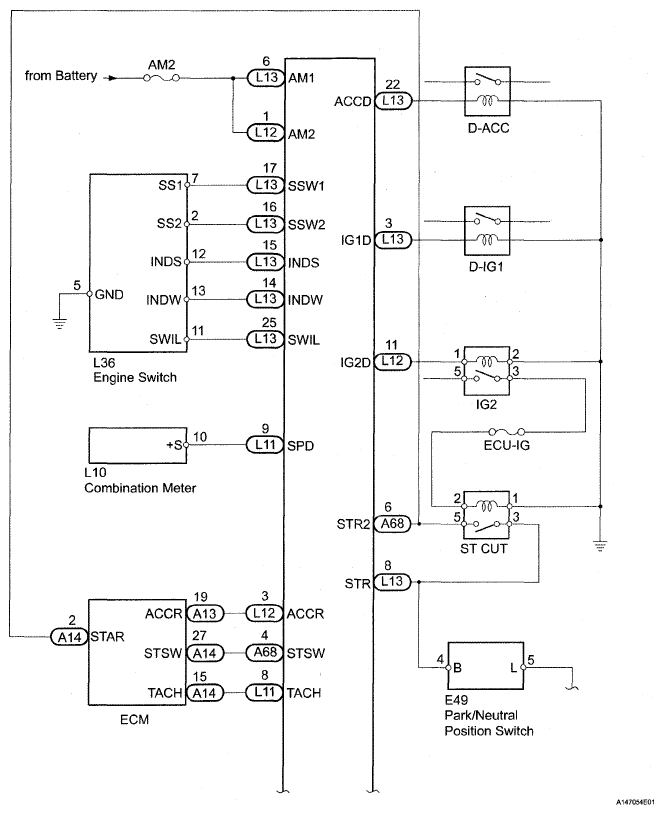
Fig 1: Smart Access System With Push-Button Start Circuit Diagram (1 Of 2)
G04943817Courtesy of © TOYOTA, LICENSE AGREEMENT TMS1002
Fig 2: Smart Access System With Push-Button Start Circuit Diagram (2 Of 2)
G04943818Courtesy of © TOYOTA, LICENSE AGREEMENT TMS1002

Communication table 

COMMUNICATION TABLE

Sender Receiver Signal Line
ECM Main body ECU Engine rotation signal CAN
Meter ECU Main body ECU Vehicle speed signal CAN
Steering lock ECU Main body ECU Steering lock/unlock signal LIN
Certification ECU Main body ECU LIN master signal LIN
Main body ECU ID code box ID required signal LIN
Main body ECU Certification ECU Key existence condition signal LIN