LEMON Manuals: Even more car manuals for everyone
Home >> Lexus >> 2007 >> LS 460L >> Repair and Diagnosis (Single Page) >> Electrical >> Body Electrical >> OEM System Circuits >> LEXUS Link System (Mayday System) >> Notes

LEXUS Link System (Mayday System): Notes

Fig 1: LEXUS Link System (Mayday System) Wiring Diagram (1 Of 8)
G08920889Courtesy of © TOYOTA, LICENSE AGREEMENT TMS1002
Fig 2: LEXUS Link System (Mayday System) Wiring Diagram (2 Of 8)
G08920890Courtesy of © TOYOTA, LICENSE AGREEMENT TMS1002
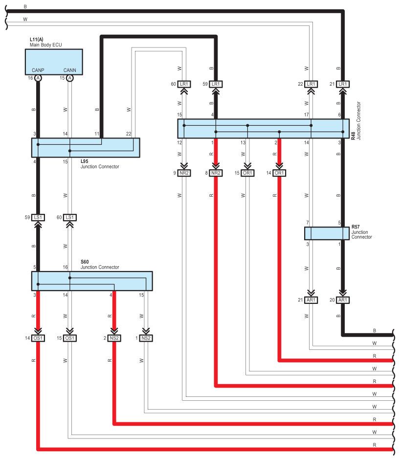
Fig 3: LEXUS Link System (Mayday System) Wiring Diagram (3 Of 8)
G08920891Courtesy of © TOYOTA, LICENSE AGREEMENT TMS1002
Fig 4: LEXUS Link System (Mayday System) Wiring Diagram (4 Of 8)
G08920892Courtesy of © TOYOTA, LICENSE AGREEMENT TMS1002
Fig 5: LEXUS Link System (Mayday System) Wiring Diagram (5 Of 8)
G08920893Courtesy of © TOYOTA, LICENSE AGREEMENT TMS1002
Fig 6: LEXUS Link System (Mayday System) Wiring Diagram (6 Of 8)
G08920894Courtesy of © TOYOTA, LICENSE AGREEMENT TMS1002
Fig 7: LEXUS Link System (Mayday System) Wiring Diagram (7 Of 8)
G08920895Courtesy of © TOYOTA, LICENSE AGREEMENT TMS1002
Fig 8: LEXUS Link System (Mayday System) Wiring Diagram (8 Of 8)
G08920896Courtesy of © TOYOTA, LICENSE AGREEMENT TMS1002