LEMON Manuals: Even more car manuals for everyone
Home >> Lexus >> 2007 >> LS 460L >> Repair and Diagnosis (Single Page) >> Electrical >> Body Electrical >> OEM System Circuits >> Engine Control >> Notes

Engine Control: Notes

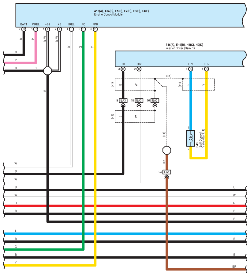
Fig 1: Engine Control System Wiring Diagram (1 Of 25)
G08920534Courtesy of © TOYOTA, LICENSE AGREEMENT TMS1002
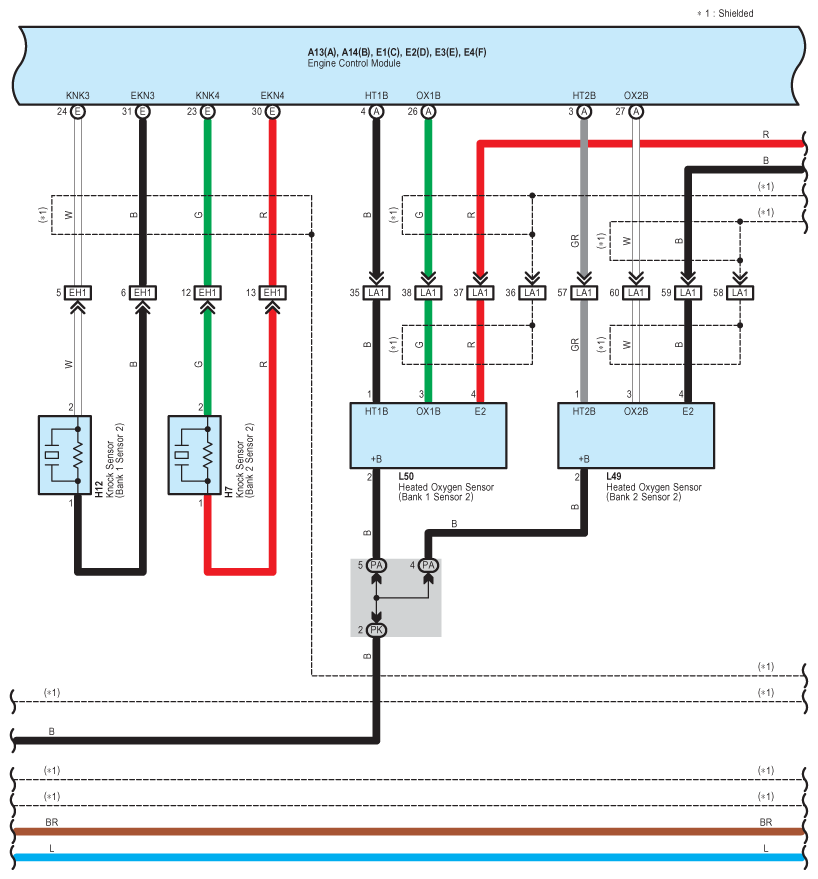
Fig 2: Engine Control System Wiring Diagram (2 Of 25)
G08920535Courtesy of © TOYOTA, LICENSE AGREEMENT TMS1002
Fig 3: Engine Control System Wiring Diagram (3 Of 25)
G08920536Courtesy of © TOYOTA, LICENSE AGREEMENT TMS1002
Fig 4: Engine Control System Wiring Diagram (4 Of 25)
G08920537Courtesy of © TOYOTA, LICENSE AGREEMENT TMS1002
Fig 5: Engine Control System Wiring Diagram (5 Of 25)
G08920538Courtesy of © TOYOTA, LICENSE AGREEMENT TMS1002
Fig 6: Engine Control System Wiring Diagram (6 Of 25)
G08920539Courtesy of © TOYOTA, LICENSE AGREEMENT TMS1002
Fig 7: Engine Control System Wiring Diagram (7 Of 25)
G08920540Courtesy of © TOYOTA, LICENSE AGREEMENT TMS1002
Fig 8: Engine Control System Wiring Diagram (8 Of 25)
G08920541Courtesy of © TOYOTA, LICENSE AGREEMENT TMS1002
Fig 9: Engine Control System Wiring Diagram (9 Of 25)
G08920542Courtesy of © TOYOTA, LICENSE AGREEMENT TMS1002
Fig 10: Engine Control System Wiring Diagram (10 Of 25)
G08920543Courtesy of © TOYOTA, LICENSE AGREEMENT TMS1002
Fig 11: Engine Control System Wiring Diagram (11 Of 25)
G08920544Courtesy of © TOYOTA, LICENSE AGREEMENT TMS1002
Fig 12: Engine Control System Wiring Diagram (12 Of 25)
G08920545Courtesy of © TOYOTA, LICENSE AGREEMENT TMS1002
Fig 13: Engine Control System Wiring Diagram (13 Of 25)
G08920546Courtesy of © TOYOTA, LICENSE AGREEMENT TMS1002
Fig 14: Engine Control System Wiring Diagram (14 Of 25)
G08920547Courtesy of © TOYOTA, LICENSE AGREEMENT TMS1002
Fig 15: Engine Control System Wiring Diagram (15 Of 25)
G08920548Courtesy of © TOYOTA, LICENSE AGREEMENT TMS1002
Fig 16: Engine Control System Wiring Diagram (16 Of 25)
G08920549Courtesy of © TOYOTA, LICENSE AGREEMENT TMS1002
Fig 17: Engine Control System Wiring Diagram (17 Of 25)
G08920550Courtesy of © TOYOTA, LICENSE AGREEMENT TMS1002
Fig 18: Engine Control System Wiring Diagram (18 Of 25)
G08920551Courtesy of © TOYOTA, LICENSE AGREEMENT TMS1002
Fig 19: Engine Control System Wiring Diagram (19 Of 25)
G08920552Courtesy of © TOYOTA, LICENSE AGREEMENT TMS1002
Fig 20: Engine Control System Wiring Diagram (20 Of 25)
G08920553Courtesy of © TOYOTA, LICENSE AGREEMENT TMS1002
Fig 21: Engine Control System Wiring Diagram (21 Of 25)
G08920554Courtesy of © TOYOTA, LICENSE AGREEMENT TMS1002
Fig 22: Engine Control System Wiring Diagram (22 Of 25)
G08920555Courtesy of © TOYOTA, LICENSE AGREEMENT TMS1002
Fig 23: Engine Control System Wiring Diagram (23 Of 25)
G08920556Courtesy of © TOYOTA, LICENSE AGREEMENT TMS1002
Fig 24: Engine Control System Wiring Diagram (24 Of 25)
G08920557Courtesy of © TOYOTA, LICENSE AGREEMENT TMS1002
Fig 25: Engine Control System Wiring Diagram (25 Of 25)
G08920558Courtesy of © TOYOTA, LICENSE AGREEMENT TMS1002