LEMON Manuals: Even more car manuals for everyone
Home >> Lexus >> 2007 >> LS 460 >> Repair and Diagnosis (Single Page) >> Steering >> Steering Column >> Steering Column >> Power Tilt And Power Telescopic Steering Column System >> IG Power Source Circuit >> Wiring Diagram

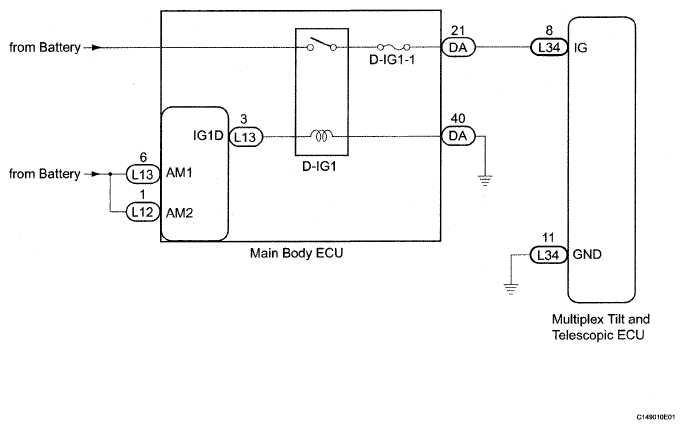
IG Power Source Circuit: Wiring Diagram

Fig 1: IG Power Source Circuit - Wiring Diagram
G04950124Courtesy of © TOYOTA, LICENSE AGREEMENT TMS1002